Студопедия

КАТЕГОРИИ:


Архитектура-(3434)Астрономия-(809)Биология-(7483)Биотехнологии-(1457)Военное дело-(14632)Высокие технологии-(1363)География-(913)Геология-(1438)Государство-(451)Демография-(1065)Дом-(47672)Журналистика и СМИ-(912)Изобретательство-(14524)Иностранные языки-(4268)Информатика-(17799)Искусство-(1338)История-(13644)Компьютеры-(11121)Косметика-(55)Кулинария-(373)Культура-(8427)Лингвистика-(374)Литература-(1642)Маркетинг-(23702)Математика-(16968)Машиностроение-(1700)Медицина-(12668)Менеджмент-(24684)Механика-(15423)Науковедение-(506)Образование-(11852)Охрана труда-(3308)Педагогика-(5571)Полиграфия-(1312)Политика-(7869)Право-(5454)Приборостроение-(1369)Программирование-(2801)Производство-(97182)Промышленность-(8706)Психология-(18388)Религия-(3217)Связь-(10668)Сельское хозяйство-(299)Социология-(6455)Спорт-(42831)Строительство-(4793)Торговля-(5050)Транспорт-(2929)Туризм-(1568)Физика-(3942)Философия-(17015)Финансы-(26596)Химия-(22929)Экология-(12095)Экономика-(9961)Электроника-(8441)Электротехника-(4623)Энергетика-(12629)Юриспруденция-(1492)Ядерная техника-(1748)

Ориентировочный расчет и конструирование валов




Ориентировочный расчет валов производится на первой стадии проектирования, когда изгибающие моменты еще не определены. Расчет выполняют на чистое кручение по пониженным допускаемым напряжениям [ ], затем определяют диаметры отдельных ступеней валов.

Основным материалом для валов служит термически обрабатываемая среднеуглеродистая сталь марок 35, 40, 45 или легированная сталь марок 40Х, 40ХН и др.

 

1.6.1. Входной вал

Диаметр концевого участка вала (рис. 1.5)

 

, (1.10)

 

где Т1 – вращающий момент на валу (см. подразд. 1.2), Н×мм;

[tК] = (20 - 25) МПа – допускаемое напряжение кручения для среднеуглеродистой стали марок 35, 40, 45.

Диаметр d1 округляется до стандартного (табл. П.3; [2, табл. 24.28; 3, табл. 24.30]).

Рис. 1.5. Вал входной

 

Диаметр вала под уплотнение:

, (1.11)

 

где t – высота буртика (табл. П.4; [2, с. 46; 3, с. 25]).

Значение диаметра dупл согласовать с данными, приведенными в табл. П.5 и источниках [2, табл. 24.26; 3, табл. 24.29].

Диаметр вала dп в месте посадки подшипника может быть равен диаметру вала под уплотнением или больше его, но должен быть кратным пяти, т. е. .

Между подшипником и шестерней на том же диаметре, что и подшипник, располагают разделительное кольцо. Диаметральные размеры кольца определяются из условия контакта его торцов с колесом и внутренним кольцом подшипника.

Диаметр кольца со стороны подшипника , где r – координата фаски подшипника (см. табл. П.4; [2, с. 46; 3, с. 25]).

Значение dб.п округлить до стандартного (табл. П.6; [2, табл. 24.1; 3, табл. 24.1]).

Диаметр вала под шестерней dб.п ³ dк > dп.

Значение dк принять из табл. П.6, [2, табл. 24.1; 3, табл. 24.1].

Диаметр разделительного кольца со стороны шестерни , где f – размер фаски (см. табл. П.4; [2, с. 46; 3, с. 25]).

Значение dб.к округлить до стандартного (см. табл. П.6; [2, табл. 24.1; 3, табл. 24.1]).

 

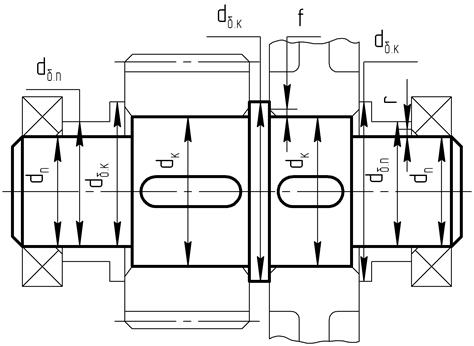
1.6.2. Промежуточный вал

Диаметр вала под колесом и шестерней (рис. 1.6)

 

, (1.12)

 

где Т2 – вращающий момент на промежуточном валу (см. подразд. 1.2), Н×мм;

[tК] = (10 - 13) МПа.

Значение dк округлить до стандартного (см. табл. П.6; [2, табл. 24.1]).

Диаметр вала в месте посадки подшипника

 

, (1.13)

 

где r - координата фаски подшипника (см. табл. П.4; [2, с. 46; 3, с. 25]).

Значение dп округлить до величины, кратной пяти.

Диаметр разделительного кольца со стороны подшипника

 

, (1.14)

 

со стороны колеса и шестерни -

 

, (1.15)

 

где f – размер фаски (см. табл. П.4; [2, с. 46; 3, с. 25]).

Рис. 1.6. Вал промежуточный

 

Значения dб.п и dб.к округлить до стандартных (см. табл. П.6; [2, табл. 24.1; 3, табл. 24.1]).

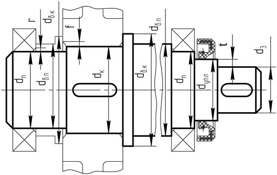
1.6.3. Выходной вал

Диаметр концевого участка вала (рис. 1.7) -

 

, (1.16)

 

где Т3 – вращающий момент на валу (см. подразд. 1.2), Н×мм;

[tК] = (20 - 25) МПа.

Значение d3 округлить до стандартного (см. табл. П.3; [2, табл. 24.28; 3, табл. 24.30]).

Диаметр вала под уплотнение , где t - высота буртика (см. табл. П.4; [2, с. 46]).

Значение диаметра dупл согласовать с данными, приведенными в табл. П.5 и источниках [2, табл. 24.26; 3, табл. 24.29].

Рис. 1.7. Вал выходной

 

Диаметр вала dп в месте посадки подшипника может быть равен диаметру вала под уплотнением или больше его, но должен быть кратным пяти, т. е. .

Диаметр разделительного кольца со стороны подшипника , где r – координата фаски подшипника (см. табл. П.4; [2, с. 46; 3, с. 25]).

Диаметр вала под колесом dб.п ³ dк > dп.

Значения dк принять из табл. П.6, [2, табл. 24.1; 3, табл. 24.1]).

Диаметр разделительного кольца со стороны колеса , где f – размер фаски (см. табл. П.4; [2, с. 46; 3, с. 25]).

Значения dб.п и dб.к округлить до стандартных (см. табл. П.6; [2, табл. 24.1; 3, табл. 24.1]).

 




Поделиться с друзьями:


Дата добавления: 2015-07-13; Просмотров: 1689; Нарушение авторских прав?; Мы поможем в написании вашей работы!


Нам важно ваше мнение! Был ли полезен опубликованный материал? Да | Нет



studopedia.su - Студопедия (2013 - 2026) год. Все материалы представленные на сайте исключительно с целью ознакомления читателями и не преследуют коммерческих целей или нарушение авторских прав! Последнее добавление




Генерация страницы за: 0.011 сек.