Студопедия

КАТЕГОРИИ:


Архитектура-(3434)Астрономия-(809)Биология-(7483)Биотехнологии-(1457)Военное дело-(14632)Высокие технологии-(1363)География-(913)Геология-(1438)Государство-(451)Демография-(1065)Дом-(47672)Журналистика и СМИ-(912)Изобретательство-(14524)Иностранные языки-(4268)Информатика-(17799)Искусство-(1338)История-(13644)Компьютеры-(11121)Косметика-(55)Кулинария-(373)Культура-(8427)Лингвистика-(374)Литература-(1642)Маркетинг-(23702)Математика-(16968)Машиностроение-(1700)Медицина-(12668)Менеджмент-(24684)Механика-(15423)Науковедение-(506)Образование-(11852)Охрана труда-(3308)Педагогика-(5571)Полиграфия-(1312)Политика-(7869)Право-(5454)Приборостроение-(1369)Программирование-(2801)Производство-(97182)Промышленность-(8706)Психология-(18388)Религия-(3217)Связь-(10668)Сельское хозяйство-(299)Социология-(6455)Спорт-(42831)Строительство-(4793)Торговля-(5050)Транспорт-(2929)Туризм-(1568)Физика-(3942)Философия-(17015)Финансы-(26596)Химия-(22929)Экология-(12095)Экономика-(9961)Электроника-(8441)Электротехника-(4623)Энергетика-(12629)Юриспруденция-(1492)Ядерная техника-(1748)

Механизированные и индивидуальные крепи




Механизированная крепь — это горная машина, размещен­ная по всей длине очистного забоя, и состоящая из самопере­двигающихся секций, механизирующих процессы — крепления очистной выработки, управления кровлей и передвижки на за­бой става забойного конвейера или базы комплекса (агрегата) вместе с выемочной машиной.

Механизированная крепь состоит из секций или комплектов (групп взаимосвязанных секций), насосной станции (одной или нескольких), распределительной и контрольно-регулирую­щей аппаратуры и гидрокоммуникаций.

Основная функция механизированной крепи — создание со­противления опусканию (обрушению) пород кровли в призабойное пространство. По функциональному признаку механизи­рованные крепи разделяют на поддерживающие (рис. 1.12, а), поддерживающе-оградительные (рис. 1.12,6), оградительно-поддерживающие (рис. 1.12, в) и оградительные (рис. 1.12, г). Тип крепи можно определить соотношениями величин проек­ций поддерживающих La и оградительных элементов L сек­ций на горизонтальную плоскость в направлении осевой линии секции.

Секция является самостоятельной структурной единицей ме­ханизированной крепи очистного забоя. Она включает в себя следующие основные элементы — гидростойку (или гидростой­ки) /, верхнее перекрытие, состоящее из поддерживающей 2 и (или) оградительной 3 частей, нижнее основание 4 один или два гидродомкрата 5 (см. рис. 1.12), располагаемых в основа­нии или у перекрытия, и систему управления секцией.

В состав секции могут также входить дополнительно уст­ройства силовой связи основания с перекрытием, удержания поверхности забоя в его верхней части, направленного пере­движения и устойчивости секции, удержания от сползания забойного конвейера, перекрытия боковых зазоров, активного подпора перекрытия в процессе передвижки секции и др.

У секций поддерживающих крепей отсутствуют огради­тельные элементы, воспринимающие вертикальную нагрузку от обрушающихся пород кровли. Защитное ограждение 3 (см. рис. 1.12, а) выполняет в этом случае функцию защиты рабочего пространства от бокового проникновения обрушающихся по­род.

Характерная особенность поддерживающих и поддерживающе-оградительных крепей — соединение их гидростоек с под­держивающими элементами перекрытия. В оградительно-под­держивающих и оградительных крепях гидростойки соединяют­ся непосредственно с оградительными элементами.

С позиции применения крепей по мощности пластов механи­зированные крепи делятся на три группы: тонкие — 0,7—1,2 м, средней мощности 1,2—2,5 м и мощные 2,5—5 м.

По силовым связям между секциями крепи могут быть комплектными и агрегатированными. Под комплектной крепью понимают такую крепь, в которой две или более секций объ­единены (связаны) друг с другом в комплект с помощью гид­родомкратов передвижки секций. По месту расположения гид­родомкратов передвижки комплектные крепи могут быть с ниж­ним (крепи 1М88С, М87УМС для струговых комплексов) и верхним (рис. 1.13), расположением гидродомкратов 3 между секциями 1 и 2 (крепь МКС98).

Секции крепи МКС98 не имеют нижнего основания. Его за­меняют индивидуальные круглые опорные плиты 4 гидро­стоек.

Независимо от места расположения гидродомкратов связей между секциями комплекты крепи кинематически не взаимо­увязаны. Передвижка каждого комплекта (обычно двухсекци­онного) осуществляется независимо друг от друга, поэтому та­кие крепи не пригодны для дистанционного и автоматического управления.

Основным типом механизированных крепей в настоящее время являются агрегатированные крепи, в которых все секции связаны гидродомкратами передвижения (агрегатированы) со ставом забойного конвейера очистного комплекса или базой агрегата. Передвижение секций агрегатированных крепей ки­нематически взаимоувязано, поэтому они пригодны для дис­танционного и автоматического управления. Гидродомкраты передвижки имеют, как правило, нижнее расположение и ис­пользуются не только для передвижки секций крепи, но и для передвижки конвейера или базы агрегата на забой.

Конструктивные схемы секций агрегатированных крепей с различным расположением и числом гидростоек показаны в табл. 1.3.

Одностоечная схема использована в крепях оградительно-поддерживающего типа: 40КП70, 10КП70, 20КП70, 30КП70. Для рамных двух- и трехрядной схем характерным является расположение гидростоек друг за другом по продольной оси (по длине) секции. Двухрядные рамные секции

 
 
Рис. 1.13. Комплектная ме­ханизированная крепь МКС98



 

 
 

 

 

применяют в крепях поддерживающего типа МКС98, 1М88, 1М88С, М87УМН, М87УМП и М87УМС, а также в крепях поддерживающе-оградительного типов МК75 и Ml30.

Недостатки рамных секций крепей поддерживающего типа: передача на гидростойки поперечных усилий при передвиже­нии без потери контакта перекрытия с породами кровли; недо­статочная устойчивость в поперечном направлении перекрытий и секций в целом.

Кустовые секции имеют более высокую поперечную устой­чивость Из кустовых секций крепей получили распростране­ние двух- трех- и четырехстоечные секции. В первом случае — зто крепи М137А, УКП5, во втором -М144 и в третьем-МКЮЗМ, КД80, 1МТ, 2МТ, М138А и М142.

Кустовые шестистоечные секции, ранее широко распростра­ненные в Великобритании, в последние годы заменяются четырехстоечными как более простыми и обладающими теми же
эксплуатационными качествами. Отечественными шестистоечными кустовыми секциями, укомплектованы крепи 2МКДМ («Донбасс-М»). I

Механизированные крепи, секции которых имеют силовую связь перекрытия с основанием, называются щитовыми неза­висимо от числа гидростоек в секции.

К щитовым относят крепи оградительно-поддерживающего (рис. 1.14, а) или поддерживающе-оградительного (рис. 1.14,6) типа, у которых перекрытия, состоящие из поддерживающей 1 и оградительной частей 3, и основание 5 секций имеют силовую и кинематическую связь между собой, не только с по­мощью гидростоек 2, но также и с помощью шарнирных рыча­гов 4.

Все щитовые крепи выполняют только с нижней завязкой, а наличие силовой связи перекрытия с основанием позволяет передвигать секции крепи с активным подпором, разгружая при этом гидростойки от поперечных усилий. Щитовые крепи могут быть одно- и многостоечными. При этом секции огради­тельно-поддерживающего типа имеют одну (крепи 10КП70, 2ОКП70Б, ЗОКП70Б и 4ОКП70) или две стойки 2 (крепи УКП5).

Щитовой тип секций является в настоящее время основным, особенно для пластов мощностью более 1 м.

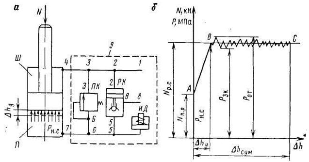
Типовая схема подключения гидростойки к системе гидро­привода механизированной крепи и рабочая характеристика гидростойки показаны на рис. 1.15. В поршневую полость П (рис. 1.15, а) гидростойки по магистрали 8 —5— 6—7 подается рабочая жидкость от насосной станции. Гидростойка начина­ет воздействовать на боковые породы с усилием начального распора NH..Р (kH):

 

где D — внутренний диаметр цилиндра гидростойки, м; рН.С — давление, развиваемое насосной станцией в гидростойке, МПа.

Разгрузочный клапан (гидрозамок) РК отсекает поршне­вую полость гидростойки от напорной магистрали 8. Стойка оказывает сопротивление N опусканию кровли. При этом уве­личивается давление рабочей жидкости в поршневой полости П гидростойки (линии АВ, рис. 1.15,6), происходит упругое сжа­тие рабочей жидкости и упругая деформация цилиндра стойки. В этот период выдвижные части гидростойки опускаются на величину Δhy с одновременным увеличением усилия сопротив­ления опусканию пород кровли. На этом участке (линия АВ) гидростойки работает в режиме нарастающего сопротивления. При дальнейшем опускании кровли давление в поршневой по­лости Я гидростойки повышается до настроечного давления срабатывания предохранительного клапана ПК и он срабаты­вает. Гидростойка начинает работать в режиме постоянного рабочего сопротивления N p.c(линия ВС). Работа предохрани­тельного клапана в этом режиме характеризуется давлениями открывания клапана Рот и его закрывания Рзк.

Для контроля давления в поршневой полости стойки слу­жит индикатор давления ИД, который компонуется совместно с предохранительным ПК и разгрузочным РК клапанами в одном корпусе 9, образуя стоечный гидроблок, или выносится на рукав высокого давления.

Для разгрузки гидростойки рабочая жидкость под давле­нием подается по магистрали 123 —4вштоковую Ш полость стойки и по магистрали 22 в разгрузочный клапан РК, от­крывая выход рабочей жидкости из полости Я на слив по ма­гистрали 7— 658. При этом выдвижная часть гидростойки опускается. Гидростойка может разгружаться полностью с по­терей контакта перекрытия с кровлей или частично со снижени­ем давления в поршневой полости до заданного предела (до 0,01 МПа) в случае передвижки крепи с активным подпором.

В механизированных крепях в настоящее время применяют предохранительные клапаны трех типов: ЭКП, ОМКТМ, ГВТН10 с номинальными давлениями срабатывания соответ­ственно 40, 32 и 50 МПа.

Максимальный расход (л/мин) рабочей жидкости через клапан при давлении 1,25 номинального составляет: 30 — для клапана ЭКП, 15 — для клапана ОМКТМ и 80 — для клапана ГВТН10. Применение предохранительных клапанов с большим максимальным расходом рабочей жидкости уменьшает вероят­ность раздутия цилиндров гидростоек при резких осадках кровли.

 

Рис. 1.15. Схема подключения гидростойки к системе гидропривода механи­зированной крепи (а) и рабочая характеристика гидростойки (б)

 

Стойки одинарной гидравлической раздвижности применяют в крепях, предназначенных для работы на пластах средней мощности и мощных. Коэффициент раздвижности Кр = l р/ l min, характеризующий отношение длины полностью раздвинутой стойки l р к длине сложенной стойки l min, составляет обычно для таких стоек 1,32—1,58.

В настоящее время преимущественное распространение во вновь создаваемых крепях получают стойки двойной гидрав­лической раздвижности. Они хотя и дороже в изготовлении, но обладают большей эффективностью в эксплуатации из-за лучшей приспосабливаемости к изменениям мощности пласта. Коэффициент раздвижности таких стоек составляет 1,8—2.

В секциях механизированных крепей применяют также гид­родомкраты и гидропатроны, которые используют: для пере­движения секций крепи и става конвейера, обеспечения устой­чивости и направленного движения секций, управления кон­сольной частью перекрытия секций (прижатие к кровле или выдвижение).

Основными параметрами механизированной крепи, опреде­ляющими условия ее применения и взаимодействия с кровлей, являются: удельное сопротивление крепи, коэффициенты — гид­равлической раздвижности гидростойки, начального распора, затяжки кровли. Коэффициент затяжки характеризует отно­шение площадей поверхности перекрытий секций и поддержи­ваемой кровли.

Техническая характеристика современных механизирован­ных крепей приведена в табл. 1.4.

Отличительная особенность крепей М137А и М138А — осна­щенность их комплектами устройств автоматизации управления, которые обеспечивают автоматическую индивидуальную и групповую передвижку секций крепи с заданным отставанием передвигаемых секций от комбайна, как с пульта управления установленного на штреке, так и оператором в очистном за­бое, а также гарантированный начальный распор секций.

Крепь поддерживающе-оградительного типа Ml30 в отли­чие от других агрегатирована по перекрытиям. Перекрытия всех секций, установленных в забое, имеют шпунтовые связи и гидродомкраты передвижки, расположенные под перекрытия­ми. Гидростойки секций имеют снизу индивидуальные опорные плиты.

Секции агрегатированной крепи КГУ-Д, предназначенной для работы на крутонаклонных и крутых пластах, последова­тельно соединены двумя гидравлическими штангами по основаниям, а домкратами передвижки — с базовыми балками групп секций (по восемь секций в группе).

По расположению вдоль очистного забоя секции крепи могут иметь линейную, шахмат­ную и пилообразную схемы расположения.

Линейная схема получила наибольшее расположение и при­меняется в очистных комбайновых комплексах. Шахматное рас­положение секций применяется обычно в очистных струговых комплексах (комплектные крепи). Недостаток шахматной схе­мы— стесненный проход для рабочих между гидростойками секций. Пилообразную схему применяют во фронтальных агре­гатах при групповом перемещении секций.

При линейном расположении секций агрегатированных кре­пей секции в исходном положении могут быть отодвинуты от конвейера на ход домкрата передвижки (заряженная схема), или могут быть передвинуты вплотную к ставу конвейера, ког­да домкраты передвижки сложены («незаряженная схема»).

Расположение по «заряженной схеме» позволяет передви­гать секции непосредственно вслед за комбайном или за его пе­редним исполнительным органом. Преимущества такой схе­мы— возможность применения конвейера с фронтальным или волнообразным способом передвижки и наличие свободной до­роги для прохода людей между конвейером и передней стой­кой (стойками) секций крепи. Недостатки — увеличенные на длину хода домкрата передвижки ширина бесстоечного призабойного пространства и длина консольной части перекрытия секции.

Расположение секций по «незаряженной схеме» уменьшает ширину бесстоечного призабойного пространства и консольной части перекрытия, но при такой схеме секции могут передви­гаться только после передвижки става конвейера. При волно­образном способе передвижки конвейера передвижка секций может отставать на 11—15 м от комбайна, что предопределяет значительную площадь незакрепленной кровли.

Применяются следующие способы управления секциями крепи: ручной дистанционный из-под соседней секции (одно- и двусторонний); ручной дистанционный с центрального пуль­та, вынесенного на штрек; групповой автоматический; дистан­ционно-автоматический с центрального пульта, вынесенного на штрек (крепи М137А и М138А).

Наиболее распространено ручное дистанционное управление из-под соседней секции. В крепях на тонких пластах такая си­стема управления выполняется двусторонней.

При линейной схеме расположения секций и последователь­ной их передвижке скорость крепления очистного забоя (м2/мин)

, (1.9)

где T C — время перемещения одной секции крепи (включая вре­мя снятия распора перед передвижкой и распора секции после ее передвижки), с; l с — шаг установки секций по длине очист­ного забоя, м; S у— величина перемещения секции на забой, м; 60/ TC — число передвинутых секций за 1 мин.

Скорость образования обнаженной поверхности кровли при работе очистной машины (м2/мин)

v обн = B З v п. (1.10)

где B З— ширина захвата исполнительного органа комбайна, м; vп — скорость подачи комбайна, м/мин.

Скорость крепления vкр должна соответствовать скорости обнажения кровли v o. Поскольку S y = B 3, то, приравняв выра­жения (1.9) и (1.10), получим

. (1.11)

Из (1.11) следует, что требуемая скорость крепления очистно­го забоя может быть достигнута при сокращении затрат вре­мени на перемещение секции крепи TC и при увеличении шага установки секций l с.

Скорость крепления очистного забоя при фронтальной групповой схеме передвижки секций

, (1.12)

где Ncp — число секций в группе.

Гидропривод механизированных крепей является объемным и включает в себя насос постоянной подачи и систему силовых гидроцилиндров, число которых может превышать в комплекте крепи очистного забоя 3000 шт.

Гидростойки, гидродомкраты, гидропатроны и другие гид­роцилиндры питаются рабочей жидкостью от одной или двух дистанционно управляемых насосных станций СНУ5, СНУ9 или СНТ32.

Для систем гидропривода механизированных крепей и гид­ромуфт в качестве рабочей жидкости применяют водомасляные эмульсии, приготовляемые на базе змульсолов типов «ФМИ-РЖ» и «Витал».

Гидрожидкость «ФМИ-РЖ» представляет собой смесь ми­нерального масла, эмульгаторов, ингибиторов коррозии и адсорбционно-активных веществ и применяется в виде 3%-й вод­ной жидкости. Эмульсия на основе ингибитора коррозии «Ви­тал» используется в виде 2%-го водного раствора.

Повышение условий безопасного труда рабочих при работе современных механизированных крепей обеспечивается: высо­кими значениями коэффициента затяжки кровли; применением в крепях гидростоек двойной гидравлической раздвижности, практически полностью исключающих при нормальной работе крепей посадку секций «нажестко»; повышением начального распора секций до 64—80% от их рабочего сопротивления за счет применения новой насосной станции СНТ32 и перемещения секций в процессе работы на забой с активным подпором кровли.

Тенденция развития отечественных и зарубежных крепей, выпускаемых компаниями и фирмами «Галлик Добсон» (Вели­кобритания), «Хемшайдт», «Вестфалия», «Клёкнер Бекорит» (ФРГ) «Братство», (Югославия), «Комаг» (Польша) «Мицубиси» (Япония), свидетельствует о том, что основным типом механизированных крепей становится щитовая крепь, имеющая силовую связь основания с перекрытием и обеспечивающая пе­редвижку секций крепи с активным подпором. Для нормаль­ных условий работы секции щитовой крепи будут в основном двухстоечными, а для тяжелых по обрушаемости пород кров­ли — четырехстоечными.

Разработана механизированная двухстоечная щитовая крепь поддерживающе-оградительного типа Ml37 и М137А. Секции крепи могут располагаться в забое по «заряженной» (для ком­байновых комплексов) и «незаряженной» (для струговых комп­лексов) схемам. В последнем случае крепь может иметь вы­движные верхняки.

Для тяжелых по обрушаемости пород кровли Гипроуглемашем разработаны и приняты к серийному производству трехстоечная М144 и четырехстоечные щитовые крепи поддержи­вающе-оградительного типа М138, М138А и М142.

Шаг установки секций этих крепей составляет 1,5 м (равен длине рештака става забойного конвейера), а ход гидродом­кратов передвижки секций крепи — 0,63 и 0,8 м.

 




Поделиться с друзьями:


Дата добавления: 2014-10-31; Просмотров: 5970; Нарушение авторских прав?; Мы поможем в написании вашей работы!


Нам важно ваше мнение! Был ли полезен опубликованный материал? Да | Нет



studopedia.su - Студопедия (2013 - 2026) год. Все материалы представленные на сайте исключительно с целью ознакомления читателями и не преследуют коммерческих целей или нарушение авторских прав! Последнее добавление




Генерация страницы за: 0.087 сек.