Студопедия

КАТЕГОРИИ:


Архитектура-(3434)Астрономия-(809)Биология-(7483)Биотехнологии-(1457)Военное дело-(14632)Высокие технологии-(1363)География-(913)Геология-(1438)Государство-(451)Демография-(1065)Дом-(47672)Журналистика и СМИ-(912)Изобретательство-(14524)Иностранные языки-(4268)Информатика-(17799)Искусство-(1338)История-(13644)Компьютеры-(11121)Косметика-(55)Кулинария-(373)Культура-(8427)Лингвистика-(374)Литература-(1642)Маркетинг-(23702)Математика-(16968)Машиностроение-(1700)Медицина-(12668)Менеджмент-(24684)Механика-(15423)Науковедение-(506)Образование-(11852)Охрана труда-(3308)Педагогика-(5571)Полиграфия-(1312)Политика-(7869)Право-(5454)Приборостроение-(1369)Программирование-(2801)Производство-(97182)Промышленность-(8706)Психология-(18388)Религия-(3217)Связь-(10668)Сельское хозяйство-(299)Социология-(6455)Спорт-(42831)Строительство-(4793)Торговля-(5050)Транспорт-(2929)Туризм-(1568)Физика-(3942)Философия-(17015)Финансы-(26596)Химия-(22929)Экология-(12095)Экономика-(9961)Электроника-(8441)Электротехника-(4623)Энергетика-(12629)Юриспруденция-(1492)Ядерная техника-(1748)

Трехкаскадные релаксаторы




 

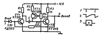
Расширитель импульсов с генератором тока. Устройство (рис. 12.12, а) состоит из накопительного конденсатора С1, который заряжается от генератора постоянного тока, собранного на тран­зисторе VT1, транзистора VT3, предназначенного для сброса кон­денсатора, и выходного транзистора VT2.

Рис. 12.12

Рис. 12.13

 

С приходом входного сигнала положительной полярности амп­литудой более 2 В и длительностью 10 мкс конденсатор С1 разря­жается через транзистор VT3. После этого начинается процесс за­ряда конденсатора постоянным током. Напряжение на конденсато­ре меняется по линейному закону U=(I/C)t. Ток заряда опреде­ляется опорным напряжением стабилитрона VD1 и сопротивлением резистора R2. Во время заряда конденсатора транзистор VT2 от­крыт. Максимальная длительность выходного импульса определяет­ся выражением тmах= Uo)C/I, где E=10 В; Uo = 6B — опорное напряжение стабилитрона. На рис. 12.12,6 приведена зависимость длительности выходного импульса от сопротивления резистора R2.

Расширитель импульсов на интеграторе. В основу генератора (рис. 12.13, а) положен интегратор, собранный на транзисторе VT2 и цепочке R2, С1. Постоянная времени интегратора h21Э=R2C1, где hzi э — коэффициент передачи тока транзистора VT2. После прекращения действия входного импульса амплитудой более 2 В и длительностью 10 мкс конденсатор С1 начинает заряжаться через резистор R2. Напряжение на коллекторе транзистора VT2 плавно нарастает. Когда это напряжение достигнет опорного напряжения стабилитрона VD1, открывается транзистор VT3. Обратная связь через конденсатор С2 ускоряет открывание транзистора VT3.

При увеличении номиналов, элементов R2 и С1 можно получить задержку включения транзистора VT3 до нескольких минут. На рис. 12.13,6 приведен график зависимости длительности выходного импульса от R2.

Расширитель импульсов на зарядном конденсаторе. Конденса­тор С1 в схеме рис. 12.14, а разряжается через транзистор VT1 входным импульсом. После этого происходит процесс заряда кон­денсатора через резистор R2. Когда напряжение на конденсаторе достигнет 9 В, открывается транзистор VT2, а следом за ним от­крывается и транзистор VT3. Для разряда конденсатора С1 вход­ной сигнал должен иметь амплитуду более 2 В и длительностью 10 мкс. Работа схемы проиллюстрирована на рис. 12.14,6.

Рис. 12.14

Рис. 12.15

 

Расширитель импульсов с динамическим порогом. Входной сиг­нал (рис. 12.15) с помощью транзистора VT1 сбрасывает заряд конденсатора С1. Транзисторы VT2VT4 находятся в закрытом состоянии. Псспе действия входного сигнала конденсатор С1 начи­нает заряжаться через резистор R2. Когда напряжение на конденса­торе увеличится до 4 В, откроется стабилитрон VD1. Дальнейшее увеличение напряжения на конденсаторе приведет к открыванию транзистора VT2. Это произойдет, когда напряжение на базе будет 7 В. Порог открывания транзистора VT2 задается делителем R5, R6. С открыванием транзистора VT2 начнет проводить транзистор VT4. Коллекторный ток этого транзистора откроет транзистор VT3, который уменьшит порог открывания. Произойдет релаксационный процесс. В результате на выходе схемы будет положительный сиг­нал +20 В. В таком состоянии схема находится до прихода следу­ющего входного импульса амплитудой 5 В и длительностью 0,5 мс. Длительность выходного сигнала определяется постоянной времени R2Ct, она может достигать значений 5 с.

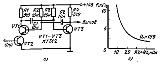
Управляемый мультивибратор. Генератор (рис. 12.16, а) управ­ляется внешним сигналом положительной полярности. Когда при­ходит управляющий сигнал, мультивибратор формирует сигнал пря­моугольной формы скважностью 2. Частота колебаний не зависит от питающего напряжения при Е = 3 В. Фаза импульсного сигнала привязана к фронту управляющего сигнала. Частоту выходного сигнала можно менять при изменении сопротивления резисторов R2 и R3 (рис. 12.16, б).

Рис. 12.16

Рис. 12.17

 

Релаксатор с регулируемой длительностью импульса. Генератор (рис. 12.17) имеет стабильную длительность выходного импульса. Эта стабильность достигается постоянством тока разряда конден­сатора. Ток разряда конденсатора протекает через транзистор VT2 и определяется резистором R2 и напряжением на базе транзистора VT2. Это напряжение регулируется с помощью резистора R4. Дли­тельность импульса определяется выражением т =UпС/I, где Ua — напряжение питания; I — коллекторный ток транзистора VT2. Ме­няя емкость конденсатора С, можно перекрыть широкий диапазон длительностей выходного сигнала.

Параллельно-последовательный преобразователь. Генератор (рис. 12.18) формирует на выходе импульс, амплитуда которого превышает напряжение питания. В этой схеме используется прин­цип параллельного соединения конденсаторов С2С4 при заряде через резисторы R2, R5 и R9 и последовательного соединения при разряде.

Запускающий импульс включает лавинный транзистор VT1, а затем за счет роста напряжения на коллекторах транзисторов VT2 и VT3 включаются и последующие транзисторы. Конденсаторы С2С4 включаются через транзисторы на резистор R10. На выходе появляется импульс с утроенной амплитудой. На резисторе R10 со­противлением 150 Ом амплитуда импульса равна 400 В, а на рези­сторе сопротивлением 75 Ом близка к 300 В. Время нарастания импульса 2 не. Предельная частот J запуска определяется допусти­мой рассеиваемой мощностью транзисторов и постоянной времени зарядной цепи. Длительность запускающих импульсов может ле­жать в пределах от 0,1 до 0,5 икс, амплитуда — от 5 до 20 В.

Рис. 12.18

Рис. 12.19

 

Закрытый релаксатор. Все транзисторы (рис. 12.19) находятся в закрытом состоянии. Конденсатор С заряжен до напряжения 12 В. Когда на вход приходит положительный импульс, транзистор VT2 входит в насыщение и на эмиттер транзистора VT1 передается импульс отрицательной полярности. Транзистор VT1 открывается, и начинается процесс разряда конденсатора через последовательно соединенные резисторы R2 и R3. Падение напряжения на резисторе R2 откроет транзистор VT3. Коллекторный ток этого транзистора удерживает в насыщении транзистор VT2. На выходе появляется положительный сигнал. Проводящее состояние транзистора VT2 удерживается коллекторным током транзистора VT3. Все транзи­сторы будут находиться в проводящем состоянии пока продолжает­ся разряд конденсатора. Процесс разряда конденсатора прекращает­ся, когда на эмиттере транзистора VT1 будет напряжение — 0,6 В. Тогда транзистор VT1 закрывается, что вызывает запирание тран­зисторов VT2 и VT3. Когда транзистор VT2 выходит из насыщения, конденсатор начинает заряжаться через резистор R4, что вызывает появление напряжения на диоде. Это напряжение дополнительно закрывает транзистор VT1. В результате запираются все транзи­сторы.

Длительность импульса прямо пропорциональна емкости кон­денсатора. Указанные на схеме номиналы элементов дают дли­тельность импульса 1 с. Работа релаксатора проиллюстрирована эпюрами напряжений.

Рис. 12.20

Рис. 12.21

 

Релаксатор с запускающим транзистором. Входной сигнал от­рицательной полярности (рис. 12.20, а) амплитудой 2 В и дли­тельностью 10 мкс закрывает транзистор VT3. Положительный перепад напряжения в коллекторе транзистора VT2 закрывает транзистор VT1. За этим последует закрывание транзистора VT2. Конденсатор С1 заряжается через резистор R4. Все время заряда конденсатора транзисторы VT1 и VT2 будут находиться в закры­том состоянии. По мере заряда конденсатора положительное напря­жение в затворе полевого транзистора уменьшается. Когда это на­пряжение сравняется с напряжением на делителе Rl, R2 минус пороговое напряжение полевого транзистора, оба транзистора от­кроются и будут находиться в устойчивом состоянии. На рис. 12.20,6 приведены эпюры напряжений схемы и график зависимости дли­тельности выходного импульса т от сопротивления резистора R4.

Расширитель импульсов с полевым транзистором. Генератор им­пульсов (рис. 12.21, а) построен на двух усилителях. Входной сиг­нал положительной полярности длительностью 10 мкс с амплитудой 3 В закрывает транзистор VT1. За время действия входного сигна­ла конденсатор С1 заряжается до напряжения питания через рези­стор R2 и диод VD2. С прекращением действия входного сигнала транзистор VT1 открывается. Положительный перепад напряжения на конденсаторе С1 закроет транзисторы VT2 и VT3. Конденсатор разряжается через резистор R3. Транзисторы VT2 и VT3 будут на­ходиться в закрытом состоянии до тех пор, пока напряжение в затворе не достигнет порога открывания полевого транзистора. Длительность отрицательного импульса на выходе схемы можно регулировать в широких пределах изменением постоянной времени RsCi. Работа устройства проиллюстрирована на рис. 12.21, б.

Релаксатор на полевом транзисторе. В исходном состоянии транзисторы VT2 и VT3 (рис. 12.22) открыты, а транзистор VT1 закрыт напряжением на диоде, которое возникает от протекающего через транзистор VT3 тока. Входной импульс отрицательной поляр­ности открывает транзистор VT1. Положительный перепад напряже­ния на коллекторе этого транзистора закрывает полевой транзистор VT2. В закрытом состоянии будет и транзистор VT3. Он закрыт напряжением на диоде, которое определяется током транзистора VT1. В таком состоянии схема будет находиться, пока заряжается конденсатор С1 через резистор R2. Когда напряжение на конденса­торе достигнет порога открывания полевого транзистора, потечет базовый ток транзистора VT3. Этот транзистор откроется, а тран­зистор VT1 закроется. Схема вернется в исходное состояние. На выходе формируется импульсный сигнал длительностью 10 с. Дли­тельность выходного сигнала можно регулировать в широких пре­делах при изменении номиналов элементов R2 и С1.

Рис. 12.22

 




Поделиться с друзьями:


Дата добавления: 2014-11-29; Просмотров: 852; Нарушение авторских прав?; Мы поможем в написании вашей работы!


Нам важно ваше мнение! Был ли полезен опубликованный материал? Да | Нет



studopedia.su - Студопедия (2013 - 2026) год. Все материалы представленные на сайте исключительно с целью ознакомления читателями и не преследуют коммерческих целей или нарушение авторских прав! Последнее добавление




Генерация страницы за: 0.009 сек.