Студопедия

КАТЕГОРИИ:


Архитектура-(3434)Астрономия-(809)Биология-(7483)Биотехнологии-(1457)Военное дело-(14632)Высокие технологии-(1363)География-(913)Геология-(1438)Государство-(451)Демография-(1065)Дом-(47672)Журналистика и СМИ-(912)Изобретательство-(14524)Иностранные языки-(4268)Информатика-(17799)Искусство-(1338)История-(13644)Компьютеры-(11121)Косметика-(55)Кулинария-(373)Культура-(8427)Лингвистика-(374)Литература-(1642)Маркетинг-(23702)Математика-(16968)Машиностроение-(1700)Медицина-(12668)Менеджмент-(24684)Механика-(15423)Науковедение-(506)Образование-(11852)Охрана труда-(3308)Педагогика-(5571)Полиграфия-(1312)Политика-(7869)Право-(5454)Приборостроение-(1369)Программирование-(2801)Производство-(97182)Промышленность-(8706)Психология-(18388)Религия-(3217)Связь-(10668)Сельское хозяйство-(299)Социология-(6455)Спорт-(42831)Строительство-(4793)Торговля-(5050)Транспорт-(2929)Туризм-(1568)Физика-(3942)Философия-(17015)Финансы-(26596)Химия-(22929)Экология-(12095)Экономика-(9961)Электроника-(8441)Электротехника-(4623)Энергетика-(12629)Юриспруденция-(1492)Ядерная техника-(1748)

Lighting System. Electric Starter System




ELECTRICAL SYSTEM

ELECTRICAL SYSTEM 16-49

Testing Relay

Electric Starter System



Starter Relay Inspection

• Remove the left side cover (see Side Cover Removal in the Frame chapter).

• Remove the starter relay.

• Connect a hand tester [A] and one 12V battery [B] to the starter relay [C] as shown.

• If the relay does not work as specified, the relay is defec­tive. Replace the relay.

Meter range: × 1 П

Criteria: When battery is connected -»0Q

When battery is disconnected -4°°Q



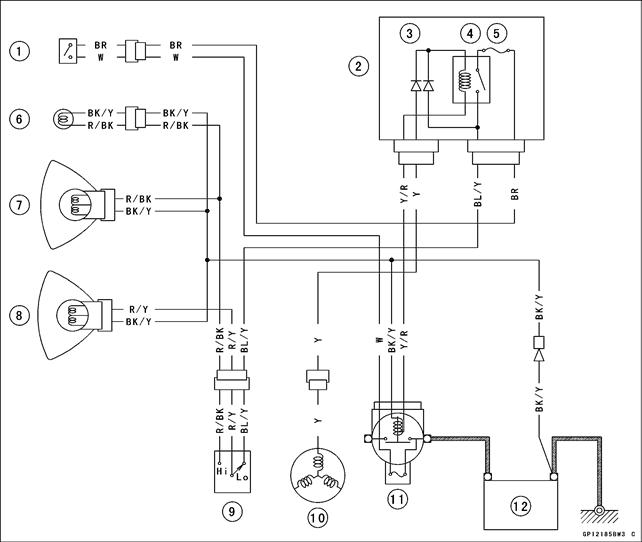
Lighting System

Headlight Circuit

Ignition Switch

Junction Box

Diode

Headlight Relay

Headlight Fuse 10 A

High Beam Indicator Light

Headlight (High Beam)

Headlight (Low Beam)

Dimmer Switch

 

Alternator

Main Fuse 30 A

Battery 12 V 10 Ah

Headlight Beam Horizontal Adjustment

• Refer to the Headlight Aiming Inspection in the Periodic
Maintenance chapter.

Headlight Beam Vertical Adjustment

• Refer to the Headlight Aiming Inspection in the Periodic
Maintenance chapter.






Headlight Bulb Replacement

CAUTION

• Remove the headlight unit with upper fairing (see Head­light Unit/Housing Removal).

• Remove the dust cover.

• Remove the screw [A] and remove the retaining spring [B]. Remove the headlight bulb [C] and replace it.




Поделиться с друзьями:


Дата добавления: 2014-12-23; Просмотров: 346; Нарушение авторских прав?; Мы поможем в написании вашей работы!


Нам важно ваше мнение! Был ли полезен опубликованный материал? Да | Нет



studopedia.su - Студопедия (2013 - 2026) год. Все материалы представленные на сайте исключительно с целью ознакомления читателями и не преследуют коммерческих целей или нарушение авторских прав! Последнее добавление




Генерация страницы за: 0.012 сек.