Студопедия

КАТЕГОРИИ:


Архитектура-(3434)Астрономия-(809)Биология-(7483)Биотехнологии-(1457)Военное дело-(14632)Высокие технологии-(1363)География-(913)Геология-(1438)Государство-(451)Демография-(1065)Дом-(47672)Журналистика и СМИ-(912)Изобретательство-(14524)Иностранные языки-(4268)Информатика-(17799)Искусство-(1338)История-(13644)Компьютеры-(11121)Косметика-(55)Кулинария-(373)Культура-(8427)Лингвистика-(374)Литература-(1642)Маркетинг-(23702)Математика-(16968)Машиностроение-(1700)Медицина-(12668)Менеджмент-(24684)Механика-(15423)Науковедение-(506)Образование-(11852)Охрана труда-(3308)Педагогика-(5571)Полиграфия-(1312)Политика-(7869)Право-(5454)Приборостроение-(1369)Программирование-(2801)Производство-(97182)Промышленность-(8706)Психология-(18388)Религия-(3217)Связь-(10668)Сельское хозяйство-(299)Социология-(6455)Спорт-(42831)Строительство-(4793)Торговля-(5050)Транспорт-(2929)Туризм-(1568)Физика-(3942)Философия-(17015)Финансы-(26596)Химия-(22929)Экология-(12095)Экономика-(9961)Электроника-(8441)Электротехника-(4623)Энергетика-(12629)Юриспруденция-(1492)Ядерная техника-(1748)

Wire Connectors




Radiator Fan Circuit

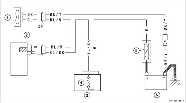
Radiator Fan System

ELECTRICAL SYSTEM

ELECTRICAL SYSTEM 16-53



Fan System Circuit Inspection

• Remove the left lower fairing (see Lower Fairing Removal in the Frame chapter).

• Disconnect the connector from the radiator fan switch [A].

• Using an auxiliary wire [B], connect the radiator fan switch connector.

• If the fan turns, inspect the fan switch.

• If the fan does not turn, inspect the following.

Lead and Connectors Main Fuse and Fan Fuse Fan Motor



Radiator Fan

Radiator Fan Switch

Junction Box

Fan Fuse 10 A

Main Fuse 30 A

Battery 12 V 10 Ah

Fan Motor Inspection

• Remove the left lower fairing (see Lower Fairing Removal in the Frame chapter).

• Disconnect the fan motor lead connector [A].

• Using two auxiliary wires, supply battery power to the fan.

Blue Lead <—> Battery (+)

Black Lead <—> Battery (-)

If the fan does not turn at this time, the fan is defective
and must be replaced.





Поделиться с друзьями:


Дата добавления: 2014-12-23; Просмотров: 376; Нарушение авторских прав?; Мы поможем в написании вашей работы!


Нам важно ваше мнение! Был ли полезен опубликованный материал? Да | Нет



studopedia.su - Студопедия (2013 - 2026) год. Все материалы представленные на сайте исключительно с целью ознакомления читателями и не преследуют коммерческих целей или нарушение авторских прав! Последнее добавление




Генерация страницы за: 0.012 сек.