Студопедия

КАТЕГОРИИ:


Архитектура-(3434)Астрономия-(809)Биология-(7483)Биотехнологии-(1457)Военное дело-(14632)Высокие технологии-(1363)География-(913)Геология-(1438)Государство-(451)Демография-(1065)Дом-(47672)Журналистика и СМИ-(912)Изобретательство-(14524)Иностранные языки-(4268)Информатика-(17799)Искусство-(1338)История-(13644)Компьютеры-(11121)Косметика-(55)Кулинария-(373)Культура-(8427)Лингвистика-(374)Литература-(1642)Маркетинг-(23702)Математика-(16968)Машиностроение-(1700)Медицина-(12668)Менеджмент-(24684)Механика-(15423)Науковедение-(506)Образование-(11852)Охрана труда-(3308)Педагогика-(5571)Полиграфия-(1312)Политика-(7869)Право-(5454)Приборостроение-(1369)Программирование-(2801)Производство-(97182)Промышленность-(8706)Психология-(18388)Религия-(3217)Связь-(10668)Сельское хозяйство-(299)Социология-(6455)Спорт-(42831)Строительство-(4793)Торговля-(5050)Транспорт-(2929)Туризм-(1568)Физика-(3942)Философия-(17015)Финансы-(26596)Химия-(22929)Экология-(12095)Экономика-(9961)Электроника-(8441)Электротехника-(4623)Энергетика-(12629)Юриспруденция-(1492)Ядерная техника-(1748)

Допоміжні і службові частини комбайнів




Двигун. На зернозбиральних комбайнах встановлюють двигуни дизельні, переважно рядні, 4, 6 або 8-ми циліндрові з турбонаддувом потужністю, здебільшого, від 80 до 200 кВт.

Комбайн КЗС-9-1 має дизельний двигун СМД-31.16 шестициліндровий, рядний водяного охолодження з турбонаддувом холодного повітря потуж­ністю 184 кВт. Спосіб запуску двигуна - електростартерний.

Привід робочих органів і механізмів комбайна механічний. Він здій­снюється клинопасовими, ланцюговими зубчастими і карданними пере­дачами. Потужність двигуна відбирається з обох кінців колінчастого вала. З лівого боку комбайна від вала двигуна клинопасовою передачею приво­диться в рух вал верхнього контрпривода, а далі - колосового шнека. Вал вентилятора очистки приводиться в рух гідрофікованим клинопасовим варіатором від вала нижнього контрпривода. Вал барабана молотильного апарата приводиться в рух гідрофікованим клинопасовим варіатором від вала відбійного бітера, а вивантажувальний зерновий шнек - карданним валом і ланцюговою передачею. З правого боку комбайна від колінчастого вала передається рух на привід вентилятора двигуна І аксіально-плунжер­ного насоса НП-112-1.00.000Л. Від вала верхнього контрпривода клино-пасовою передачею приводиться в рух вал відбійного бітера, а від нього -верхній вал плаваючого транспортера похилої камери. Від верхнього контр­привода клинопасовими передачами також приводиться в рух домолочу-вальний пристрій, вал контрпривода вивантажувальних шнеків і контр­привода зернового елеватора. Привід вала соломотряса здійснюється клино-пасовою передачею від вала заднього контрпривода.

Коливальний вал привода очистки приводиться в рух від вала нижньо­го контрпривода.

Привід робочих органів жатної частини здійснюється від верхнього вала плаваючого транспортера ланцюговою передачею на вал бітера проставки і контрпривода похилої камери, а далі - карданною передачею на вал контрпривода жатки. Від останнього приводяться в рух мотовило, шнек і різальний апарат.

Ходова частина комбайна КЗС-9-1 складається з переднього ведучого мо-ста і заднього моста напрямних коліс. Ведучі колеса комбайна обладнані шинами низького тиску (близько 0,167 МПа) і приводяться в рух за допомо­гою гідрооб'ємної передачі. Комбайн має аксіально-плунжерний нерегульо-ваний гідромотор МП-112.1.00.000, який кріплять на корпусі коробки пере­дач. Рух від нього передається через коробку передач, диференціал і плане­тарно-циліндричні редуктори до ведучих коліс. На бортових редукторах вста­новлені дискові гальма з роздільним гідроприводом. Гідромотор працює від потоку оливи, що надходить від аксіально-плунжерного регульованого насо­са НП-112.1.00.000Л під тиском до 27 МПа. Гідропривід разом із коробкою передач плавно змінює швидкість руху комбайна від 0 до 23 км/год.

Коробка передач - механічна, двоходова, з чотирма діапазонами і встанов­леним диференціалом. До корпуса коробки приєднані гідромотор і дві пів­осі, які передають рух на лівий і правий бортові редуктори ведучих коліс.

Міст напрямних коліс складається з несучої балки з лівим і правим поворотними кулаками, двох маточин коліс з фланцями, поперечної ру­льової тяги і двох гідроциліндрів. До фланців маточин кріпляться напрямні колеса діаметром 1400 мм. Поворот коліс відбувається за допомогою гідро­циліндрів, поперечної рульової тяги та важелів.

На комбайні "Лан" встановлюють двигун "Уаїтеї;", "Уоіуо", або СМД-31.16.

Двигун "Уаїтеі;" - дизельний, шестициліндровий, рядний, потужність -265 к.с. Привід робочих органів і механізмів комбайна "Лан" здійснюється також клинопасовими і ланцюговими передачами, карданними валами і зубчастими передачами.

Ходова частина комбайна "Лан" за будовою і принципом дії аналогічна ходовим частинам комбайнів КЗС-9-1 і РСМ-10.

Гідропривід. На зернозбиральних комбайнах застосовують об'ємний гідропривід. Основними його пристроями є гідронасоси, гідромотори, розподільники, гідроциліндри, клапани, резервуари для оливи, трубо­проводи, фільтри та ін.

Гідропривід комбайна КЗС-9-1 складається з основного, рульового ке­рування і ведучих коліс. Всі вони взаємозв'язані між собою єдиною сис­темою заправки, зберігання і кондиціювання робочої рідини. Ці гідро-приводи мають єдину робочу рідину - оливу марки МГЕ-46В (МГ-ЗОУ) або АТУ 38.10.1179-71.

Робоча рідина гідропривода зберігається в трьох резервуарах (баках): підпірному, основному, заправному. Підпірний бак сприяє стійкій роботі насосів і забезпечує швидку сигналізацію аварійного витоку робочої ріди­ни. Він має вікна спостереження допустимого рівня рідини і контактного датчика мінімально допустимого рівня. Система заправки складається з заправного бака, заливного фільтра, ручного насоса і заправного фільтра.

Основний гідропривід призначений для піднімання і опускання жатної частини, мотовила, регулювання частоти обертання мотовила, молотиль­ного барабана, вентилятора очистки; переміщування мотовила вперед і назад; переведення в робоче і транспортне положення вивантажувального шнека, а також вмикання та вимикання муфти зчеплення двигуна, при-вода вивантажувальних шнеків, жатної частини, вібраторів бункера; від­криття і закриття клапана копнувача та ін.

Основний гідропривід складається з блоків гідроапаратури, А2 і АЗ (рис. 6.34), шестеренного насоса Н2, фільтра ФН1 гідродроселя ДК, двох вібраторів В1 і В2, виконавчих гідроциліндрів ЦІ-ЦІ 3 та трубопроводів і гнучких рукавів високого тиску.

Гідропривід рульового керування (ГРК) складається з шестеренного на­соса НЗ (рис. 6.34), фільтра ФН2, бака БЗ, насоса-дозатора, клапанів, розподільника ГРМ-240/80, двох циліндрів та системи трубопроводів.

Насос-дозатор при працюючому шестеренному насосі спрямовує робо­чу рідину від шестеренного насоса у відповідні порожнини гідроцилінд­рів. При повороті рульового колеса крутний момент на рульовому колесі значно зменшується.

Рис. 6.34. Схема основного гідропривода комбайна КЗС-9-1

 

У випадку, коли шестеренний насос не працює, насос-дозатор при по­вороті рульового колеса подає робочу рідину під тиском у відповідні робо­чі порожнини гідроциліндрів, під дією яких здійснюється поворот коліс комбайна.

Гідропривід ведучих коліс комбайна КЗС-9-1 складається із аксіально-плунжерного регульованого реверсивного насоса НП-112.00.000Л, аксіо-нально-плунжерного нерегульованого мотора МП-112.1.00.000, що вста­новлений на коробці ведучого моста, клапанної коробки з двома запобіжни­ми клапанами високого тиску, шунтувальним і переливним клапанами, фільтра робочої рідини з вакуумметром, системи трубопроводів і тепло­обмінного апарату.

На комбайні "Лан" об'ємний гідропривід має також три гідроприводи: основний, рульового керування і ведучих коліс. Але основний гідропривід має два контури. Перший призначений для вмикання і вимикання моло­тарки, вивантажувальних зернових шнеків та жатної частини. Другий контур забезпечує піднімання і опускання жатної частини, переміщення мотовила, регулювання частоти обертання молотильного барабана, пере­ведення вивантажувального зернового шнека з робочого положення у транс­портне і навпаки, а також для роботи системи "Аиіо Сопіюиг" при копію­ванні рельєфа поля жаткою. Керування 11-ма гідроциліндрами здійс­нюється двома розподільниками - трисекційними, трипозиційними з еле­ктромагнітним керуванням. Гідроприводи рульового керування і ведучих коліс за будовою і принципом дії подібні до комбайна КЗС-9-1.

Система електрообладнання комбайнів призначена для запуску двигу­на, живлення датчиків сигналізації, контрольно-вимірювальних приладів, освітлення, систем мікроклімату та електрогідророзподільників. Джерелом живлення системи є дві акумуляторні батареї і генератор з регулятором.

Система електрообладнання комбайна КЗС-9 має однопровідну елект­ричну мережу постійного струму напругою 24 В. Акумуляторні батареї 6СТ-1829М напругою 12 В кожна.

Генератор Г-290В потужністю 3400 Вт змінного струму з випрямлячем і створює постійний струм напругою 24 В. Привід генератора від шківа колінчастого вала двигуна.

Система освітлення складається з двох транспортних фар та семи фар для освітлення: жатної частини, бункера і вивантажувального шнека та фари-мигалки. В кабіні є розетки для переносних світильників.

Прилади освітлення вмикають (вимикають) клавішами на щитку при­ладів рульової колонки.

Електрогідророзподільники забезпечують піднімання й опускання жа­тної частини, переведення вивантажувального шнека в робоче або транс­портне положення, піднімання та опускання мотовила, горизонтальне переміщення мотовила, регулювання частоти обертання мотовила, моло­тильного барабана і вентилятора, вмикання (вимикання) привода молота­рки, жатної частини і вивантажувального шнека, вмикання реверса робо­чих органів жатної частини, вібраторів бункера і розфіксації зчіпки, від­кривання і закривання клапана копнувача.

Система електрообладнання комбайна забезпечує:

/ вимірювання та індикацію температури охолоджувальної рідини дизеля і робочої рідини в баку гідропривода, тиску оливи в системі ма­щення двигуна, рівня палива в баку.

/ світлову сигналізацію ввімкненого положення стоянкового гальма, положення "вимкнено" механізму блокування переключення діапазонів коробки, положення "ввімкнено" привода робочих органів молотарки, ввімкнення габаритних ліхтарів, ввімкнення покажчиків повороту, за­смічення фільтра повітроочисника, засмічення фільтрів гідропривода, від­сутності струму зарядки акумуляторних батарей.

/ світлову і звукову сигналізацію аварійного зниження тиску оливи в системі мащення дизеля, аварійного підвищення температури охолоджу­вальної рідини в дизелі, аварійного зниження рівня робочої рідини в баку гідропривода.

Система автоматичного керування і контролю (САКК) комбайна КЗС-9-1 має блочно-модульну структуру. Вона складається з окремих підсистем: контролю та індикації основних параметрів комбайна (КІП), автоматич­ного регулювання завантаження основних робочих органів (АРЗ), автома­тичного керування комбайна (АВ), виявлення сторонніх предметів (ВСП), копіювання рельєфа поля (КРП).

Підсистема КІП контролює стан основних робочих органів і хід техно­логічного процесу комбайна. Вона працює в чотирьох режимах: "Тест", "Контроль", "Інформація", "Поради".

Режим "Тест" - це підготовчий режим роботи, який проводять на хо­лостому ходу комбайна, коли всі робочі органи працюють.

Режим "Контроль" — це основний режим роботи підсистеми під час ви­конання технологічного процесу комбайна. КІП контролює частоту обер­тання домолочувального пристрою, привода жатної частини, верхнього контрпривода, решітного стану очистки, колінчастого вала двигуна, мо­лотильного барабана, соломонабивача, вентилятора очистки, подрібнювача, зернового шнека, колосового шнека, соломотряса, половонабивача, нижнього контрпривода, контрпривода зернового елеватора, заднього контрпривода, мотовила і подрібнювача, а також швидкість руху комбайна, поздовжній і поперечний похил комбайна, втрати зерна за соломотрясом і очисткою.

Режим "Інформація" - це додатковий сервісний режим під час вико­нання технологічного процесу комбайна. В цьому режимі КІП може викону­вати вимірювання, обчислення і накопичення інформаційних параметрів: пройденого шляху, робочого часу, зібраної площі, намолоченого зерна тощо. Режим "Інформація" є автономним і може працювати паралельно з будь-яким іншим режимом підсистеми КІП.

Режим "Поради" - це також додатковий сервісний режим. Він видає рекомендації, яка повинна бути швидкість комбайна, частота обертання молотильного барабана і вентилятора очистки та величина зазорів в моло­тильному апараті і між жалюзями решіт очистки.

Електрообладнання і САКК комбайна "Лан" забезпечує запуск двигу­на, керування механізмами та їх блокуванням, інформацію про аварійні ситуації, показники якості роботи, освітлення, керування мікрокліматом у кабіні.

Електрообладнання має також однопровідну електричну мережу по­стійного струму напругою 24 В. Мережа має дві акумуляторні батареї напругою по 12 В, сполучені послідовно, і генератор потужністю 1000 Вт.

Інформація щодо контролю роботи двигуна, сигналізації аварійних си­туацій системи комбайна, видачі швидкості комбайна та частоти обертан­ня молотильного барабана і вентилятора, контролю частоти обертання інших виконавчих органів, контролю втрат зерна тощо, виведена на інфо­рматор руху, інформатор молотьби і вузол індикації втрат зерна.

Інформатор руху має покажчик рівня палива у баку, тиск оливи у двигуні, покажчик температури масла у гідроприводі, покажчик швид­кості комбайна.

Інформатор молотьби забезпечує контроль частоти обертання механіз­мів комбайна і відхилення цих частот від норми, сигналізацію про поло­ження вивантажувального зернового шнека у робочому положенні, сиг­налізацію про перевантаження соломотряса, заповнення зернового бунке­ра на 70% тощо. Інформатор молотьби має покажчик значень параметрів, а також світлову і звукову сигналізації.

Вузол індикації втрат зерна має п'єзоелектричні датчики та модуль індикації з перетворювачами сигналів і модулем індикації.

П'єзоелектричні датчики встановлені в кінці соломотряса і грохота, а модуль індикації - в кабіні. Останній показує збільшення втрат зерна за молотаркою у вигляді червоних світлодіодів.

Освітлення складається з 14 фар, двох габаритних ліхтарів, двох ліхта­рів поворотів, двох повторювачів поворотів, двох задніх фонарів та одного плафона у кабіні.

Для подання світлового сигналу на кабіні й капоті соломотряса встано­влені дві фари-мигалки.

Мікроклімат у кабіні підтримується кондиціонером і підігрівачем.

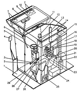
Кабіна комбайна КЗС-9-1 тепло-звуко-віброізольована. Вона має два сидіння, основне і допоміжне (рис. 6.35). Основне сидіння м'яке, підресо­рене, з регулюванням за вагою й ростом комбайнера, переміщенням впе-ред-назад і вгору-вниз. Допоміжне сидіння має фіксацію в складеному і робочому положеннях. Кабіна обладнана склоочисником, тонованим склом вікон площею б м2, фарою-мигалкою, плафоном внутрішнього освітлен­ня, сонцезахисним козирком, фарами для роботи в нічний час, дзеркала­ми заднього ходу та системою нормалізації мікроклімату і очищення по­вітря. Система нормалізації мікроклімату створена на базі кондиціонера, який працює в режимі охолодження або підігрівання повітря. Керуван­ня рухом комбайна і основними виконавчими органами відбувається з кабіни.

Керування вмиканням робочих органів (жатної частини молотарки, вивантажувального шнека) - електромагнітне (клавішами). Керування блокуванням коробки діапазонів - механічне, із застосуванням троса дистанційного керування (ТДК). Зміна діапазонів - коробки передач -механічне, із застосуванням ТДК. Керування об'ємним гідроприводом ведучих коліс - механічне, важелем. Регулювання подачі палива - ме­ханічне, важелем. Керування гальмами - гідравлічне, педалями, роз­дільне на кожне колесо, а стоянковим гальмом - механічне, із застосу­ванням ТДК. Контрольно-вимірювальні прилади - комбіновані. Вони вимірюють та забезпечують індикацію параметрів 14 каналів аварійної сигналізації.

На комбайні "Лан" розміщення, конструкція деяких приладів і орга­нів керування мають свої особливості. Так, наприклад, важіль керуван­ня ГСТ має рукоятку з кнопками вмикання, що виконує декілька функ­цій: рух комбайна вперед або назад, мотовило підняти або опустити, жатну частину опустити, праву сторону жатки підняти, ліву сторону жатки опустити. Інші системи і органи керування подібні до комбайна КЗС-9-1.

 

Рис. 6.35. Кабіна і органи керування комбайна КЗС-9-1:

I - рама; 2 - педаль стоянкового гальма; З - педаль блокування вмикання діапазонів швидкостей; 4 - дзеркало; 5 - рульове керування; 6 - склоочисник; 7 - передні робочі фари; 8 - дах; 9 - кондиціонер; 10 - антена; II - піддашник; 12 - ліхтар; 13 – пульт індикації КВП САКК; 14 — динамік; 15 - механізм керування гідронасосом ГПВК; 16 - пульт; 17 - шафа; 18 - механізм перемикання діапазонів швидкостей; 19 - вікно; 20 - попільниця; 21 - магнітофон; 22 - термос; 23 - сидіння комбайнера; 24 - блок керування КВП; 25 - панель електроз'єднувачів; 26 - додаткове сидіння; 27, 28 – педалі аварійних гальм; 29 - двері

Сучасні зарубіжні комбайни фірм "Маssеу Ferguson", "John Deere", "Сlaas" та ін. обладнують бортовими комп'ютерами, контролерами для автоматизованого керування і контролю режимів роботи, а також сис­темами картографування для проведення моніторингу місцевизначеної урожайності при збиранні сільськогосподарських культур відповідно до технологій точного землеробства.




Поделиться с друзьями:


Дата добавления: 2014-12-27; Просмотров: 3416; Нарушение авторских прав?; Мы поможем в написании вашей работы!


Нам важно ваше мнение! Был ли полезен опубликованный материал? Да | Нет



studopedia.su - Студопедия (2013 - 2025) год. Все материалы представленные на сайте исключительно с целью ознакомления читателями и не преследуют коммерческих целей или нарушение авторских прав! Последнее добавление




Генерация страницы за: 0.009 сек.