Студопедия

КАТЕГОРИИ:


Архитектура-(3434)Астрономия-(809)Биология-(7483)Биотехнологии-(1457)Военное дело-(14632)Высокие технологии-(1363)География-(913)Геология-(1438)Государство-(451)Демография-(1065)Дом-(47672)Журналистика и СМИ-(912)Изобретательство-(14524)Иностранные языки-(4268)Информатика-(17799)Искусство-(1338)История-(13644)Компьютеры-(11121)Косметика-(55)Кулинария-(373)Культура-(8427)Лингвистика-(374)Литература-(1642)Маркетинг-(23702)Математика-(16968)Машиностроение-(1700)Медицина-(12668)Менеджмент-(24684)Механика-(15423)Науковедение-(506)Образование-(11852)Охрана труда-(3308)Педагогика-(5571)Полиграфия-(1312)Политика-(7869)Право-(5454)Приборостроение-(1369)Программирование-(2801)Производство-(97182)Промышленность-(8706)Психология-(18388)Религия-(3217)Связь-(10668)Сельское хозяйство-(299)Социология-(6455)Спорт-(42831)Строительство-(4793)Торговля-(5050)Транспорт-(2929)Туризм-(1568)Физика-(3942)Философия-(17015)Финансы-(26596)Химия-(22929)Экология-(12095)Экономика-(9961)Электроника-(8441)Электротехника-(4623)Энергетика-(12629)Юриспруденция-(1492)Ядерная техника-(1748)

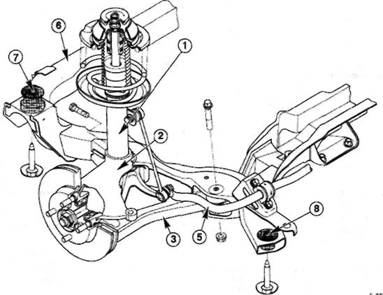
Установка. На всех автомобилях применяется передний мост с двумя амортизаторными стойками МсРпегзоп -1-, ка- ждая из которых состоит из витой пружины и встро




Снятие

АМОРТИЗАТОРНОЙ СТОЙКИ

СНЯТИЕ И УСТАНОВКА

ПЕРЕДНИЙ МОСТ


 


 


На всех автомобилях применяется передний мост с
двумя амортизаторными стойками МсРпегзоп -1-, ка-
ждая из которых состоит из витой пружины и встро-
енного гидравлического амортизатора.
Амортизаторные стойки закреплены на кузове и по-
воротных кулаках -2-. Боковое усилие воспринимает
поперечный рычаг подвески -3-, который соединяет-
ся с поворотным кулаком шаровым пальцем (съем-
ный). Поперечный рычаг крепится к кузову через
резиновые опоры. Стабилизатор поперечной устой-
чивости -5- через две тяги соединяет между собой
обе стойки, он предотвращает наклон автомобиля
при движении на повороте. Стабилизатор закреплен
на подрамнике передней оси -6- через резиновые
втулки. Приводной момент передается от двигателя
на передние колеса двумя полуосевыми карданными


 

тому передняя опора.

валами. Полуосевые валы различной длины, каждый
из них имеет два шарнира равных угловых скорос-
тей. Подшипник переднего колеса неразборный, поэ-
после снятия заменяйте его в сборе. 7 -

резиновая опора, 8 - задняя резиновая

• Пометьте положение колес на ступице краской, для
того чтобы установить их при сборке на прежнее
место. Ослабьте гайки колес на опущенном авто-
мобиле. Поднимите перед автомобиля и снимите
передние колеса.



 



• Отсоедините держатель тормозного шланга от
амортизаторной стойки,

• Снимите тормозную скобу, см.п.15.2.

• Подвесьте тормозную скобу с помощью проволоки
на внутреннем брызговике, не допуская скручива-
ния или натяжения тормозного шланга. Тормозной
шланг остается подключенным, в противном случае
после установки придется удалять воздух из тор-
мозной системы.

• Где необходимо, разъедините многоконтактный
штекер указателя износа тормозных накладок.


Внимание! не повредите манжету шарового пальца.
Для предохранения обверните ее тряпкой.

• Где требуется, разъедините штекер электронной
подрегулировки амортизатора и отсоедините про-
вод от амортизаторной стойки.

• Снимите в моторном отсеке колпак -1- гайки амор-
тизаторной стойки.

• Отверните верхнюю гайку крепления амортизато-
рной стойки накидным ключом на 18 мм с глубоким
изгибом. При отворачивании удерживайте от про-
ворачивания шток амортизатора ключом с внутрен-
ним шестигранником на 6 мм.

• Снимите в сборе амортизаторную стойку, полуосе-
вой карданный вал и поворотный кулак.

• Снимите амортизаторную стойку с поворотного ку-
лака. Для этого выверните зажимной болт на пово-
ротном кулаке.


 


• Выпоессуйте палец -3- поперечной рулевой тяги из
поворотного кулака -1-, см.п.13.1.

• Где необходимо, выверните датчик АВ5 -5- из по-
воротного кулака.

• Снимите внутренний хомут внутренней резиновой
манжеты полуосевого вала.

• Отверните гайку -3- и отсоедините соединительную
тягу -2- стабилизатора поперечной устойчивости -1-
от амортизаторной стойки.

• Выверните зажимной болт -8- и гайку шаровой
опоры -6- нижнего поперечного рычага -7- и стя-
ните вниз поперечный рычаг с поворотного кулака.


• Раздвиньте зажим поворотного кулака и извлеките
амортизаторную стойку. Для этого на станции
обслуживания РОВЭ используют приспособление
14-039. Приспособление вводят в паз поворотного
кулака, как показано на рисунке, и поворачивают
рычаг на 90', освобождая тем самым амортизатор-
ную стойку. Для этой операции можно применить
зубило или подходящую монтировку, обращая вни-
мание на то, чтобы не повредить детали.

• Вставьте амортизаторную стойку в поворотный ку-
лак. Снимите разжимное приспособление.

• Заверните новый самостопорящийся зажимной
болт амортизаторной стойки, убедившись в том,
что болт проходит через паз в крепежной пластине.
Затяните зажимной болт с моментом 85 Нм.

• Установите амортизаторную стойку, полуосевой
вал и поворотный кулак.



Наверните от руки верхнюю гайку амортизато-
рной стойки.

Установите полуосевой карданный вал и закрепите
резиновую манжету новым хомутом.

Вставьте шаровый палец соединительной тяги
стабилизатора поперечной устойчивости в отвер-
стие амортизаторной стойки и затяните с момен-
том 50 Нм

Вставьте снизу шаровую опору поперечного рычага
в отверстие поворотного кулака и затяните зажим-
ной болт с моментом 80 Им (на новой шаровой
опоре - с моментом 55 Нм).
Вверните, если снимался, датчик АВЗ, 10 Нм.

Присоедините головку поперечной тяги к поворот-
ному кулаку и затяните с моментом 25-30 Нм,
застопорьте соединение новым шплинтом. Если
шплинт не проходит в отверстие, то подтяните
резьбовое соединение, пока шплинт не войдет в
отверстие.

Соедините, где необходимо, многоконтактный ште-
кер электронной подрегулировки амортизатора и
зафиксируйте провод на амортизаторной стойке.


Установите скобу тормоза, см.п.15.2.

Если отворачивался тормозной шланг, то удалите

воздух из тормозной системы, см.п.15-12.

Соедините, где требуется, многоконтактный штекер
указателя износа тормозных накладок.
Приверните к амортизаторной стойке держатель
тормозного шланга.

Установите передние колеса так. чтобы совпадали
нанесенные ранее метки. Перед установкой колес
смажьте тонким слоем консистентной смазки цен-
трирующую поверхность на ступице колеса. Навер-
ните гайки крепления колеса. Опустите
автомобиль и затяните гайки крест-накрест с мо-
ментом 100 Нм.

Затяните верхнюю гайку амортизаторной стойки с
моментом 45 Нм, удерживая при этом шток амор-
тизатора от проворачивания.

Проверьте свободу перемещения тормозного
шланга и провода датчика АВЗ. Для этого помо-
щник должен поворачивать передние колеса из
одного крайнего положения в другое.


 




Поделиться с друзьями:


Дата добавления: 2014-12-23; Просмотров: 408; Нарушение авторских прав?; Мы поможем в написании вашей работы!


Нам важно ваше мнение! Был ли полезен опубликованный материал? Да | Нет



studopedia.su - Студопедия (2013 - 2026) год. Все материалы представленные на сайте исключительно с целью ознакомления читателями и не преследуют коммерческих целей или нарушение авторских прав! Последнее добавление




Генерация страницы за: 0.008 сек.