Студопедия

КАТЕГОРИИ:


Архитектура-(3434)Астрономия-(809)Биология-(7483)Биотехнологии-(1457)Военное дело-(14632)Высокие технологии-(1363)География-(913)Геология-(1438)Государство-(451)Демография-(1065)Дом-(47672)Журналистика и СМИ-(912)Изобретательство-(14524)Иностранные языки-(4268)Информатика-(17799)Искусство-(1338)История-(13644)Компьютеры-(11121)Косметика-(55)Кулинария-(373)Культура-(8427)Лингвистика-(374)Литература-(1642)Маркетинг-(23702)Математика-(16968)Машиностроение-(1700)Медицина-(12668)Менеджмент-(24684)Механика-(15423)Науковедение-(506)Образование-(11852)Охрана труда-(3308)Педагогика-(5571)Полиграфия-(1312)Политика-(7869)Право-(5454)Приборостроение-(1369)Программирование-(2801)Производство-(97182)Промышленность-(8706)Психология-(18388)Религия-(3217)Связь-(10668)Сельское хозяйство-(299)Социология-(6455)Спорт-(42831)Строительство-(4793)Торговля-(5050)Транспорт-(2929)Туризм-(1568)Физика-(3942)Философия-(17015)Финансы-(26596)Химия-(22929)Экология-(12095)Экономика-(9961)Электроника-(8441)Электротехника-(4623)Энергетика-(12629)Юриспруденция-(1492)Ядерная техника-(1748)

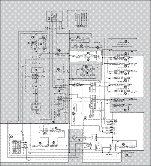
Circuit diagram




SIGNAL SYSTEM

SIGNAL SYSTEM ELEC

L-16

LIGHTING SYSTEM ELEC




 


4. The auxiliary light fails to come on.

 

 

1. Bulb and bulb socket

Refer to “CHECKING SWITCHES”

section

 

CONTINUITY


 

 

NO CONTINUITY

 

Replace the bulbor the bulb socket


5. Main switch

6. Main fuse

7. Battery

12. Turn switch

12. Horn switch

14-15. Front flasher lights 16-18. Rear flasher lights 17-19. Tail/brake light


 

 

20. Horn

21. Flasher relay

22. Front brake switch

23. Rear brake switch

25. Turn indicator lights

25. Fuel gauge

26. Fuel sender


 

2. Voltage
• Connect the pocket tester (DC20V) to the bulb soc- ket connector.
Tester (+) lead—( Blue terminalØ Cable (-) lead—( Black terminalØ
• Turn the main switch to on. • Turn the lights switch to on or pilot position • Check the voltage (12V) of the leads on the bulb socket connector.

 

OUT OF SPECIFICATION

 


 

This is not faulty


MEETS SPECIFICATION


The wiring circuit from main switch to bulb connector is faulty.

Repair.


 

 





Поделиться с друзьями:


Дата добавления: 2014-12-23; Просмотров: 383; Нарушение авторских прав?; Мы поможем в написании вашей работы!


Нам важно ваше мнение! Был ли полезен опубликованный материал? Да | Нет



studopedia.su - Студопедия (2013 - 2026) год. Все материалы представленные на сайте исключительно с целью ознакомления читателями и не преследуют коммерческих целей или нарушение авторских прав! Последнее добавление




Генерация страницы за: 0.012 сек.