Студопедия

КАТЕГОРИИ:


Архитектура-(3434)Астрономия-(809)Биология-(7483)Биотехнологии-(1457)Военное дело-(14632)Высокие технологии-(1363)География-(913)Геология-(1438)Государство-(451)Демография-(1065)Дом-(47672)Журналистика и СМИ-(912)Изобретательство-(14524)Иностранные языки-(4268)Информатика-(17799)Искусство-(1338)История-(13644)Компьютеры-(11121)Косметика-(55)Кулинария-(373)Культура-(8427)Лингвистика-(374)Литература-(1642)Маркетинг-(23702)Математика-(16968)Машиностроение-(1700)Медицина-(12668)Менеджмент-(24684)Механика-(15423)Науковедение-(506)Образование-(11852)Охрана труда-(3308)Педагогика-(5571)Полиграфия-(1312)Политика-(7869)Право-(5454)Приборостроение-(1369)Программирование-(2801)Производство-(97182)Промышленность-(8706)Психология-(18388)Религия-(3217)Связь-(10668)Сельское хозяйство-(299)Социология-(6455)Спорт-(42831)Строительство-(4793)Торговля-(5050)Транспорт-(2929)Туризм-(1568)Физика-(3942)Философия-(17015)Финансы-(26596)Химия-(22929)Экология-(12095)Экономика-(9961)Электроника-(8441)Электротехника-(4623)Энергетика-(12629)Юриспруденция-(1492)Ядерная техника-(1748)

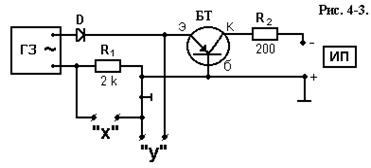
Порядок выполнения работы и методические указания. 3.1. Для получения входной характеристики транзистора установка соби­рается по схеме (рис.4-3)




 

3.1. Для получения входной характеристики транзистора установка соби­рается по схеме (рис.4-3).

 

На коллектор БТ подается постоянное напряжение от источника питания поочередно 0, 1, 10 В.

На базу через диод D и резистор R1 подается сигнал со звукового генера­тора амплитудой до 6 В.

(Шкала напряжений - до 10 В; номиналы сопротивлений: R1=2 кOм; R2=200 Ом).

 

3.2. Полученные три зависимости при различных напряжениях коллек­тора необходимо перерисовать с указанием масштаба по осям координат.

 

3.3. Выходные характеристики транзистора снимаются по схеме, пред­ставленной на рис.4-4.

Переменное напряжение со звукового генератора через диод D и сопро­тивление R2 к выводам Б-К транзистора.

На осциллографе снимается зависимость тока коллектора от напряжения коллектор-база при токах эмиттера, равных 0, 2, 6 и 8 мА, задаваемых исходя из соотношения: .

Со звукового генератора подается напряжение амплитудой до 4 В. (Шкала напряжений - до 10 В).

 

4. Содержание отчета.

 

4.1. Начертить использованные электрические схемы.

 

4.2. Приведите параметры изучаемого БТ и его цоколевку.

 

4.3. Приложите полученные в лаборатории графики семейств входных и выходных ВАХ.

 

4.4. Постройте семейство характеристик передачи тока IК=f(IЭ) при UКБ=const на основании семейства выходных ВАХ.

 

4.5. Постройте семейство характеристик обратной связи UЭБ=f(UКБ) при IЭ=const с помощью семейства выходных ВАХ.

 

4.6. Определите по характеристикам в пяти точках h - параметры для БТ, включенного по схеме ОБ (hБ - параметры), в зависимости от режима ра­боты; постройте характеристики:

h11Б=f(IЭ) при UКБ=const;

h12Б=f(UКБ) при IЭ=const;

h21Б=f(IЭ) при UКБ=const;

h22Б=f(UКБ) при IЭ=const.

Проанализируйте полученные результаты.

 

5. Контрольные вопросы.

 

5.1. Как устроен БТ? Чем отличается активный режим работы БТ от ре­жима отсечки и режима насыщения?

 

5.2. С какими физическими процессами связано протекание эмиттерного, коллекторного и базового токов при включении БТ по схеме ОБ? Каковы особенности управления выходным током в БТ?

 

5.3. Постройте энергетические диаграммы и график изменения потен­циала для БТ типов p-n-p и n-p-n в отсутствии внешних напряжений. Как меняется распределение потенциала и ширина p-n переходов при работе БТ в активном режиме?

 

5.4. Что называют коэффициентом инжекции? Почему он должен быть как можно ближе к единице? Каким путем это достигается?

 

5.5. Какие требования предъявляются к материалу базы БТ и к ее геомет­рическим размерам? Почему?

 

5.6. В чем проявляется обратная связь по напряжению в БТ и какова ее физическая природа?

 

5.7. Каков общий ход статических входных и выходных ВАХ БТ при включении по схеме ОБ?

 

5.8. Какие Вы знаете системы параметров при работе БТ в режиме малого сигнала? Чем они отличаются друг от друга? Как определить h - пара­метры по характеристикам?

 

Литература.

 

1. Дулин В.Н. Электронные приборы. Изд.3-е. - М.:Энергия, 1977.

 

2. Пасынков В.В., Чиркин Л.К., Шинков А.Д. Полупроводниковые при­боры,-Изд.3-е. - М.: Высшая школа, 1981.

 

3. Электронные приборы: Учебник для вузов/В.Н. Дулин, Н.А. Аваев, В.П. Демин и др.; Под ред. Г.Г. Шишкина.- 4-е изд. - М.: Энергоатомиз­дат, 1989.

Приложение.

Германиевый сплавной, низкочастотный

транзистор структуры p-n-p.




Поделиться с друзьями:


Дата добавления: 2015-05-06; Просмотров: 535; Нарушение авторских прав?; Мы поможем в написании вашей работы!


Нам важно ваше мнение! Был ли полезен опубликованный материал? Да | Нет



studopedia.su - Студопедия (2013 - 2026) год. Все материалы представленные на сайте исключительно с целью ознакомления читателями и не преследуют коммерческих целей или нарушение авторских прав! Последнее добавление




Генерация страницы за: 0.007 сек.