Студопедия

КАТЕГОРИИ:


Архитектура-(3434)Астрономия-(809)Биология-(7483)Биотехнологии-(1457)Военное дело-(14632)Высокие технологии-(1363)География-(913)Геология-(1438)Государство-(451)Демография-(1065)Дом-(47672)Журналистика и СМИ-(912)Изобретательство-(14524)Иностранные языки-(4268)Информатика-(17799)Искусство-(1338)История-(13644)Компьютеры-(11121)Косметика-(55)Кулинария-(373)Культура-(8427)Лингвистика-(374)Литература-(1642)Маркетинг-(23702)Математика-(16968)Машиностроение-(1700)Медицина-(12668)Менеджмент-(24684)Механика-(15423)Науковедение-(506)Образование-(11852)Охрана труда-(3308)Педагогика-(5571)Полиграфия-(1312)Политика-(7869)Право-(5454)Приборостроение-(1369)Программирование-(2801)Производство-(97182)Промышленность-(8706)Психология-(18388)Религия-(3217)Связь-(10668)Сельское хозяйство-(299)Социология-(6455)Спорт-(42831)Строительство-(4793)Торговля-(5050)Транспорт-(2929)Туризм-(1568)Физика-(3942)Философия-(17015)Финансы-(26596)Химия-(22929)Экология-(12095)Экономика-(9961)Электроника-(8441)Электротехника-(4623)Энергетика-(12629)Юриспруденция-(1492)Ядерная техника-(1748)

Визначення коефіцієнта теплопровідності платини




Експериментальне визначення коефіцієнту теплопровідності металів

Розділ 3

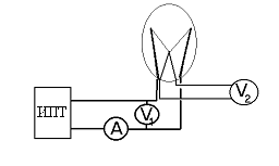
В даній роботі визначалося значення коефіцієнту Відемана-Франца для платини, тобто відношення коефіцієнту теплопровідності до коефіцієнту електропровідності. Робоча установка представлена на рис.3. Термопарний манометричний перетворювач типу ПМТ-2 містить платинову нитку, що є основним елементом з відомою товщиною та довжиною. В ній відкачали повітря для нехтуванням теплопровідністю з навколишнім середовищем. До середини платинової нитки приєднана хромель-капелева термопара, показання якої знімаються на вольтметрі V2. Джерелом струму зі стабілізацією струму подається напруга на накал лампи. В наслідок цього температура платинової нитки збільшується зі збільшенням сили струму, що подається ДСС (джерело сталого струму).

У роботі задавалася сила струму від 0,01А до 0,1А з шагом 0,01А. При цьому знімалися значення напруги на нитці накалу та температура на середині нитки. Опір нитки та з'єднувальних провідників змінюється з температурою як R=R0(1+g( -T0)), де - середня температура нитки.

Рис.3.1. Схема експериментальної установки

Якщо опір при кімнатній температурі Rк=R0(1+g(Tк-T0)), тоді

R=Rк .

За законом Ома R= , тоді ми можемо знайти середню температуру при кожному значенні сили струму.

Використаємо кінцеву формулу для визначення коефіцієнту теплопровідності в методі Кольрауша.

,

де , Tm – температура в центрі, T0 – температура на кінцях, яку ми прийняли рівною температурі навколишньому середовищі T0 = Tg.

Тоді коефіцієнт Відемана-Франца:

,

де – коефіцієнт електропровідності.

Середня температура визначається, як інтеграл:

.

Звідси .

В результаті проведених обчислень були отримані значення коефіцієнту Відемана-Франца при різних температурах (табл. 3.1.). Ці значення при невеликих струмах ненабагато відрізнялися від теоретичних. Так і значення сталої L теж близьке до теоретичного значення. Теоретичне значення коефіцієнту Відемана-Франса при Т0 = 273°К є (l/s)теор = 71 Вт/м°К · 9,81·10–8Ом·м = 6,96·10–6 В2/°К.

При значних силах струмах розбіжність в значеннях пояснюється тим, що при збільшенні сили струму збільшується середня температура стержня і температуру на кінцях стержня вже не можна вважати рівною температурі навколишнього середовища. Це вже дає неправильне обчислення середньої температури і в результаті коефіцієнту теплопровідності. При цьому зі збільшенням температури збільшуються тепловтрати випромінюванням. Вже при силі струму 0.35 А нитка вже випромінює в видимому діапазоні довжин хвиль. Це теж в значній мірі впливає на результат.

 

Таблиця 3.1. Знаходження коефіцієнту Відемана-Франца.

 

I,A U,B R,Ом ,K l/s, 10–6 В2 L, 10–8 В22 (l/s)теор, 10–6 В2
0,01 0,009 0,900   - - 7,52
0,02 0,018 0,900   - - 7,52
0,03 0,028 0,933   6,38 2,09 7,79
0,04 0,038 0,950   7,83 2,52 7,92
0,05 0,048 0,960   10,41 3,32 7,99
0,06 0,058 0,967   13,68 4,33 8,05
0,07 0,069 0,986   15,06 4,68 8,20
0,08 0,082 1,025   14,58 4,37 8,50
0,09 0,095 1,056   15,73 4,59 8,74
0,1 0,109 1,090   16,95 4,79 9,01

 




Поделиться с друзьями:


Дата добавления: 2015-05-26; Просмотров: 530; Нарушение авторских прав?; Мы поможем в написании вашей работы!


Нам важно ваше мнение! Был ли полезен опубликованный материал? Да | Нет



studopedia.su - Студопедия (2013 - 2026) год. Все материалы представленные на сайте исключительно с целью ознакомления читателями и не преследуют коммерческих целей или нарушение авторских прав! Последнее добавление




Генерация страницы за: 0.008 сек.