Студопедия

КАТЕГОРИИ:


Архитектура-(3434)Астрономия-(809)Биология-(7483)Биотехнологии-(1457)Военное дело-(14632)Высокие технологии-(1363)География-(913)Геология-(1438)Государство-(451)Демография-(1065)Дом-(47672)Журналистика и СМИ-(912)Изобретательство-(14524)Иностранные языки-(4268)Информатика-(17799)Искусство-(1338)История-(13644)Компьютеры-(11121)Косметика-(55)Кулинария-(373)Культура-(8427)Лингвистика-(374)Литература-(1642)Маркетинг-(23702)Математика-(16968)Машиностроение-(1700)Медицина-(12668)Менеджмент-(24684)Механика-(15423)Науковедение-(506)Образование-(11852)Охрана труда-(3308)Педагогика-(5571)Полиграфия-(1312)Политика-(7869)Право-(5454)Приборостроение-(1369)Программирование-(2801)Производство-(97182)Промышленность-(8706)Психология-(18388)Религия-(3217)Связь-(10668)Сельское хозяйство-(299)Социология-(6455)Спорт-(42831)Строительство-(4793)Торговля-(5050)Транспорт-(2929)Туризм-(1568)Физика-(3942)Философия-(17015)Финансы-(26596)Химия-(22929)Экология-(12095)Экономика-(9961)Электроника-(8441)Электротехника-(4623)Энергетика-(12629)Юриспруденция-(1492)Ядерная техника-(1748)

Основные характеристики и параметры работы фоторезисторов




1) ВАХ – хар-ся зав-тью светового тока (фототока) при неизмен вел-не свето потока Ф - const, а также темнового тока, от приложенного к фоторез-ру напряж.Темновой ток протекает в фоторезисторе при t = 23’ C и полной темноте, = 0.2) Световая (Люкс-Амперная) характеристика – представляет собой завис-ть фототока от падающего света, всегда нелинейная.3) Спектральная характеристика – завис-ть фототока от длины волны, вытекающая из формулы кванта света: EФ = h v= 1,23/ .4) Рабочее напряжение – напряж при кот фоторез-р работоспособен в течение указанного в паспорте времени, т. е. его параметры должны изменяться в задан диапазоне.

5) Удельн интегральная чувствит-ть – отношение силы фототока к произведению свет потока на напряж, приложенное к прибору:

K = J Ф/ФU. Чувств-ть наз-ся интегральной т. к. ее измеряют при освещении прибора потоком света сплошного спектрального состава.Величину K измеряют при освещении 200 Люкс источником света со

световой температурой 2800 К (с температурой нагретого железа).6) Пороговая чувствительность – минсветовой поток, обуславливающий появление в фотоприборе сигнала в 2e- раз превышающего амплитуду шума.

7) Темновое сопротивление – его вел-на опред-ся типом материала, технологией изготовления и конструкцией и конструкцией фотоприбора, темновые токи и сопротивления определяются через 30 сек. после затемнения фотоприбора, находившегося под освещением

200 Люкс.

38. Фотоприборы.

Приборы предназначенные для преобразования световой энергии в электрическую и наоборот. К 1 классу относят фотоприемники (фоторез-ры, фотодиоды, фототранз-ры и т. д.), ко 2 классу относятся светоизлучатели (светодиоды, п/п лазеры и т. д.).

Фотоприемники базируются на внешн или внутр фотоэффекте.Внешн ф/эффект – возникает при поглощении валентным эл-ном энергии EФ >> EСв ,валентный эл-н получает кинет энергию достаточную для его перевода во внешн среду (эффект Столетова). Большинство исп-мых приборов в р/электронике исп-т внутр ф/эффект. Поглощение валентным эл-ном атома энергии фотона в рез-те кинет энергии эл-на недостаточно для перевода его во внешн среду, в этом сле возможны 2 варианта:1) EФ = EСв, при отсутствии внеш полей валентн эл-ны не в состоянии покинуть потенц поле возникшего + иона, поэтому через некоторое время ион поглощает эл-н, образуя нейтральный атом.2) EФ > EСв, избыток энергии, преобразуясь в кинет энергию движ эл-на,перебрасывает его за пределы действия потенцо поля возникшего + иона. Своб эл-н включаясь в тепловое движ проводимость кристалла (фотовентильный эффект).При подаче на кристалл внешнего эл поля и в первом и во втором случае происходит разделение - и + зарядов за счет дрейфа эл-нов против поля.Дрейф – это процесс перемещения эл-нов под действием эл или магнитного полей без прекращения теплового движения.Явл-е изменения проводимости под действием свет потоков наз-ся фоторезистивным.В чистом виде на этом эффекте построен фоторезистор.

 

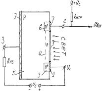
43. Полевой фототранзистор.

Схема конструкции полевого фототранзистора имеет вид:

1 – просветляющая пленка, защищающая поверхность полупроводника от внешней среды;

2 – контакт истока;

3 – область истока n +;

4 – канал n-типа;

5 – область затвора p-типа;

6 – стоковая область n +;

7 – выводы стока и затвора.

RНЗ – сопротивление нагрузки в цепи затвора;

RНТр – сопротивление нагрузки фототранзистора.

 




Поделиться с друзьями:


Дата добавления: 2015-06-04; Просмотров: 385; Нарушение авторских прав?; Мы поможем в написании вашей работы!


Нам важно ваше мнение! Был ли полезен опубликованный материал? Да | Нет



studopedia.su - Студопедия (2013 - 2025) год. Все материалы представленные на сайте исключительно с целью ознакомления читателями и не преследуют коммерческих целей или нарушение авторских прав! Последнее добавление




Генерация страницы за: 0.01 сек.