Студопедия

КАТЕГОРИИ:


Архитектура-(3434)Астрономия-(809)Биология-(7483)Биотехнологии-(1457)Военное дело-(14632)Высокие технологии-(1363)География-(913)Геология-(1438)Государство-(451)Демография-(1065)Дом-(47672)Журналистика и СМИ-(912)Изобретательство-(14524)Иностранные языки-(4268)Информатика-(17799)Искусство-(1338)История-(13644)Компьютеры-(11121)Косметика-(55)Кулинария-(373)Культура-(8427)Лингвистика-(374)Литература-(1642)Маркетинг-(23702)Математика-(16968)Машиностроение-(1700)Медицина-(12668)Менеджмент-(24684)Механика-(15423)Науковедение-(506)Образование-(11852)Охрана труда-(3308)Педагогика-(5571)Полиграфия-(1312)Политика-(7869)Право-(5454)Приборостроение-(1369)Программирование-(2801)Производство-(97182)Промышленность-(8706)Психология-(18388)Религия-(3217)Связь-(10668)Сельское хозяйство-(299)Социология-(6455)Спорт-(42831)Строительство-(4793)Торговля-(5050)Транспорт-(2929)Туризм-(1568)Физика-(3942)Философия-(17015)Финансы-(26596)Химия-(22929)Экология-(12095)Экономика-(9961)Электроника-(8441)Электротехника-(4623)Энергетика-(12629)Юриспруденция-(1492)Ядерная техника-(1748)

Масштабы




Основная надпись чертежа.

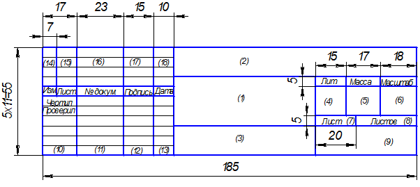
ГОСТ 2.104—68 устанавливает формы, размеры, порядок заполнения основных надписей и дополнительных граф к ним в конструкторских документах. Установлены две формы основной надписи: форма 1 — для чертежей и схем; форма 2 — для текстовых документов. Располо­жение основной надписи чертежа показано на рис. 1.1.Hа листах формата А4 основную надпись по ГОСТ 2.301— 68 располагают вдоль короткой стороны листа. Основная надпись для учебных чертежей выполняется по форме 1 (рис. 1.2а).

Графа 1 — Наименование чертежа.

Графа 2 — Обозначение чертежа, состоящее из индекса раздела курса черчения, например ЧГ — черчение геометрическое, ЧП — черчение проекционное и т. д.; справа от индекса ставится номер курса, семестра, порядковый номер задания, номер варианта, например, ЧГ 01.01.01.003

Графа 4— Литера чертежа «у» (учебный чертеж).

Графа 9— Название учебного заведения и шифр группы.

Графа 10— Характер работы, выполненной лицом, подписавшим чертеж (чертил, проверил).

Рис. 1.2а

На рисунке 1.2б приведен пример заполнения основной надписи.

 

Рис. 1.2б

 

Масштаб— отношение линейного размера отрезка на чертеже к соответствующему линейному размеру того же отрезка в натуре. Масштаб изображения на чертежах выбирают в зависимости от величины и сложности объекта или его составных частей, а также от вида чертежей.ГОСТ 2.302—68 устанавливает масштабы изображения и их обозначение на чертежах всех отраслей промышленности и строительства.

Масштабы уменьшения 1:2; 1:2,5; 1:4; 1:5; 1:10; 1:15; 1:20; 1:25; 1:40; 1:50; 1:75; 1:100; 1:200; 1:400; 1:500; 1:800; 1:1000
Натуральная величина 1:1
Масштабы увеличения 2:1; 2,5:1; 4:1; 5:1; 10:1; 20:1; 40:1; 50:1; 100:1

Масштаб, указанный в предназначенной для этого графе основной надписи, обозначается по типу 1:1, 1:2, 5:1 и т. д. Масштаб изображения, отличающийся от указанного в основной надписи чертежа, указывают непосредственно над надписью, относящейся к данному изображению: (2:1); А(10:1); Б-Б (1:5) и т.д.




Поделиться с друзьями:


Дата добавления: 2015-06-28; Просмотров: 535; Нарушение авторских прав?; Мы поможем в написании вашей работы!


Нам важно ваше мнение! Был ли полезен опубликованный материал? Да | Нет



studopedia.su - Студопедия (2013 - 2026) год. Все материалы представленные на сайте исключительно с целью ознакомления читателями и не преследуют коммерческих целей или нарушение авторских прав! Последнее добавление




Генерация страницы за: 0.01 сек.