Студопедия

КАТЕГОРИИ:


Архитектура-(3434)Астрономия-(809)Биология-(7483)Биотехнологии-(1457)Военное дело-(14632)Высокие технологии-(1363)География-(913)Геология-(1438)Государство-(451)Демография-(1065)Дом-(47672)Журналистика и СМИ-(912)Изобретательство-(14524)Иностранные языки-(4268)Информатика-(17799)Искусство-(1338)История-(13644)Компьютеры-(11121)Косметика-(55)Кулинария-(373)Культура-(8427)Лингвистика-(374)Литература-(1642)Маркетинг-(23702)Математика-(16968)Машиностроение-(1700)Медицина-(12668)Менеджмент-(24684)Механика-(15423)Науковедение-(506)Образование-(11852)Охрана труда-(3308)Педагогика-(5571)Полиграфия-(1312)Политика-(7869)Право-(5454)Приборостроение-(1369)Программирование-(2801)Производство-(97182)Промышленность-(8706)Психология-(18388)Религия-(3217)Связь-(10668)Сельское хозяйство-(299)Социология-(6455)Спорт-(42831)Строительство-(4793)Торговля-(5050)Транспорт-(2929)Туризм-(1568)Физика-(3942)Философия-(17015)Финансы-(26596)Химия-(22929)Экология-(12095)Экономика-(9961)Электроника-(8441)Электротехника-(4623)Энергетика-(12629)Юриспруденция-(1492)Ядерная техника-(1748)

Проведение эксперимента и обработка результатов




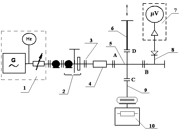
Измерения проводились на лабораторной установке. На рис.4.2 приведена ее блок-схема [1].

Рисунок 4.2. - Блок-схема установки для измерения диэлектрических параметров с помощью волноводного моста: 1 – СВЧ генератор; 2 – волноводно-коаксиальный переход; 3 – соединение волноводов; 4 – аттенюатор; 5 – двойной волноводный тройник; 6 – подвижный реактивный короткозамыкатель; 7 – индикаторный прибор; 8 – детекторная головка; 9 – короткозамкнутая волноводная секция с исследуемым образцом; 10 – электронагреватель

 

Мощность генератора СВЧ ГЧ-80 подается в плечо А двойного волноводного тройника (волноводного моста), выполненного на прямоугольном волноводе подается с помощью СВЧ кабеля через волноводно-коаксиальный переход. В двойном волноводном тройнике мощность делится на части, в плечах С и D. К плечу С болтами крепится специальная короткозамкнутая волноводная секция, где помещен образец исследуемого диэлектрика. К плечу D болтами крепится подвижный реактивный короткозамыкатель, к плечу В – детекторная головка, сигнал с которой регистрируется индикаторным прибором.

Чтобы нагреть исследуемый диэлектрик в установке предусмотрен электронагреватель сопротивления косвенного нагрева, с помощью которого устанавливается и регистрируется заданная температура.

Лабораторная установка позволяет провести измерения и исследуемого образца волноводным методом, использующим характер распределения поля в волноводе.

Если плечи С и D имеют одинаковую длину и нагружены одинаковыми сопротивлениями, т.е. электрически симметричны, то энергия СВЧ, поступающая от СВЧ генератора в плечо А, поделится между плечами С и D пополам. При этом энергия в плечо В не поступает.

Если подключить нагрузку к плечу С или D, принятую за эталонную (короткозамыкатель), а к другому – исследуемую нагрузку (короткозамкнутую волноводную секцию с исследуемым диэлектриком), то часть энергии поступает вплечо В и характеризует отличие исследуемой нагрузки от эталонной. Это свойство волноводного моста и используется для измерения и .

В отсутствии исследуемого образца диэлектрика в короткозамкнутой волноводной секции подбирается такое положение поршня подвижного короткозамыкателя в плече D, при котором электродинамическая симметрия плеч С и D нарушается. Перемещением поршня в плече D вновь добиваются относительной электродинамической симметрии плеч С и D т.е. минимального показания индикаторного прибора, величина которого зависит от потерь электромагнитной энергии в образце исследуемого диэлектрика.

Таким образом, показания индикаторного прибора и величина смещения поршня определяют искомые величины и .

Результаты измерений обрабатывались в программе Microsoft Excel. С помощью программы был проведен расчет ε’, ε” и tgδ по уравнениям (4.10) и (4.11) методом двух толщин с выводом результатов в таблице в Microsoft Excel. В таб.4.3 представлены значения, полученные в ходе измерений.

Таблица 4.1. Результаты эксперимента

  ε’ ε” tgδ
T=200C 25.23 45.65 1.8

 

Эти параметры используются для дальнейшего проектирования СВЧ камеры электротехнологической установки.




Поделиться с друзьями:


Дата добавления: 2015-08-31; Просмотров: 582; Нарушение авторских прав?; Мы поможем в написании вашей работы!


Нам важно ваше мнение! Был ли полезен опубликованный материал? Да | Нет



studopedia.su - Студопедия (2013 - 2026) год. Все материалы представленные на сайте исключительно с целью ознакомления читателями и не преследуют коммерческих целей или нарушение авторских прав! Последнее добавление




Генерация страницы за: 0.011 сек.