Студопедия

КАТЕГОРИИ:


Архитектура-(3434)Астрономия-(809)Биология-(7483)Биотехнологии-(1457)Военное дело-(14632)Высокие технологии-(1363)География-(913)Геология-(1438)Государство-(451)Демография-(1065)Дом-(47672)Журналистика и СМИ-(912)Изобретательство-(14524)Иностранные языки-(4268)Информатика-(17799)Искусство-(1338)История-(13644)Компьютеры-(11121)Косметика-(55)Кулинария-(373)Культура-(8427)Лингвистика-(374)Литература-(1642)Маркетинг-(23702)Математика-(16968)Машиностроение-(1700)Медицина-(12668)Менеджмент-(24684)Механика-(15423)Науковедение-(506)Образование-(11852)Охрана труда-(3308)Педагогика-(5571)Полиграфия-(1312)Политика-(7869)Право-(5454)Приборостроение-(1369)Программирование-(2801)Производство-(97182)Промышленность-(8706)Психология-(18388)Религия-(3217)Связь-(10668)Сельское хозяйство-(299)Социология-(6455)Спорт-(42831)Строительство-(4793)Торговля-(5050)Транспорт-(2929)Туризм-(1568)Физика-(3942)Философия-(17015)Финансы-(26596)Химия-(22929)Экология-(12095)Экономика-(9961)Электроника-(8441)Электротехника-(4623)Энергетика-(12629)Юриспруденция-(1492)Ядерная техника-(1748)

Выполнять только при снятом напряжении после. Порядок выполнения работы




СБОРКУ И ИЗМЕНЕНИЯ В СХЕМЕ ЛАБОРАТОРНОГО СТЕНДА

Порядок выполнения работы

Цель и учебные задачи лабораторной работы

ЭЛЕКТРОДВИГАТЕЛЯ

ЭЛЕКТРОПРИВОДОМ С ОБРАТНЫМИ СВЯЗЯМИ ПО ТОКУ

ИССЛЕДОВАНИЕ СИСТЕМЫ УПРАВЛЕНИЯ

Целью выполняемой лабораторной работы является экспе­риментальное изучение регулировочных свойств, статических и динамических характеристик системы автоматического управления с положительной обратной связью по току якоря электродвигателя и задержанной отрицательной обратной связью по току якоря (то­ковой отсечкой), изучение влияния возмущающих воздействий на качество управления, определение экспериментальным путем па­раметров системы регулирования.

5.2.1. На силовой панели собрать электрическую схему си­ловой цепи (рис. 2.1).

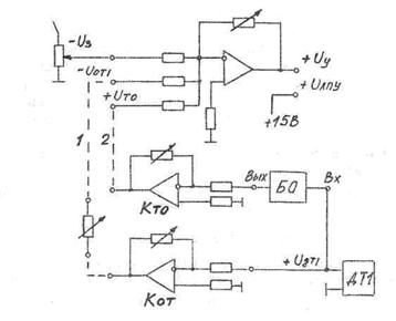
5.2.2. На панели регуляторов собрать принципиальную электрическую схему системы управления (рис. 5.1). Характеристики системы управления снимать для следующих сочетаний обратных связей:

• Система управления с положительной обратной связью по току электродвига­теля (установлена перемычка 1);

• Система управления с токовой отсечкой (установлена перемычка 2);

• Система управления с положительной обратной связью по току и токовой от­сечкой (установлены перемычки 1 и 2).

5.2.3. Включение лабораторной установки производить в следующем порядке:

• потенциометры Uрег1 и Uрег2 на панели регуляторов устано­вить в крайнее левое положение;

• при необходимости включить тумблер питания панели регуля­торов;

• на панели управления включить автоматические выключатели В1, В2 и ВЗ;

• последовательно нажать кнопки «цепи управления», «питание ре­гуляторов», «возбуждение», «~ 220 ТП1», «Вкл. ТП1», при фор­мировании нагрузки нажать кнопки «~ 220 ТП2», «Вкл. ТП2»; включение цепей проконтролировать по загоранию контрольных ламп.

Отключение стенда осуществляется кнопкой АК1.

ВНИМАНИЕ!

НАЖАТИЯ КНОПКИ АК1!

 

Рис. 5.1. Принципиальная электрическая схема системы управления

5.2.4. Снятие статических характеристик системы управления

Характеристики системы управления с обратной связью по току электродвигателя необходи­мо снимать только для пропорционального регулятора скорости П-РС, ко­эффициент передачи регулятора Крс (Крс = Uрс/Uзс = Rос/Rвх) и ко­эффициенты обратных связей по току задаются преподавателем.

Статические характеристики для замкнутой системы управления снимать так же, как и для разомкнутой (лабораторная работа №1 п. 2.2.5). В данной лабораторной работе снимаются только статиче­ские электромеханические и внешние характеристики.

Данные опыта занести в табл. 5.1.

По данным таблицы 5.1 построить зависимости: вешние характеристики Ud1 = f(Ia1) для разомкнутой и замкнутой системы управления на одном графике; электромеханические характеристики ω1 = f(Ia1) - для разомкнутой и замкнутой системы управления на одном графике; зависимости UОТ1; UОТ2 = f(Ia1) на одном графике.

 

Таблица 5.1 Внешние и электромеханические характеристики замкнутой системы

  Измерено Вычислено  
  Ud1, В n, об/мин Ia1, А Uот1, В Uот2, В ω1, 1/с Примечание
  V1 V5 A1 V7 V8   Uвх=Uз=
              Крс=
              Кот=
              Кто=
              Iв1=

 

После снятия всех характеристик, остановить машину М1, отключить тиристорные преобразователи ТП1 и ТП2 кнопкой АК2 и при помощи Uрег1 и вольтметров V7 и V8 экспериментально опре­делить коэффициенты передачи регулятора по цепям задания и обратных связей Крс, Кот, Кто через отношение напряжений Uвых/Uвх.




Поделиться с друзьями:


Дата добавления: 2014-12-07; Просмотров: 401; Нарушение авторских прав?; Мы поможем в написании вашей работы!


Нам важно ваше мнение! Был ли полезен опубликованный материал? Да | Нет



studopedia.su - Студопедия (2013 - 2025) год. Все материалы представленные на сайте исключительно с целью ознакомления читателями и не преследуют коммерческих целей или нарушение авторских прав! Последнее добавление




Генерация страницы за: 0.797 сек.