Студопедия

КАТЕГОРИИ:


Архитектура-(3434)Астрономия-(809)Биология-(7483)Биотехнологии-(1457)Военное дело-(14632)Высокие технологии-(1363)География-(913)Геология-(1438)Государство-(451)Демография-(1065)Дом-(47672)Журналистика и СМИ-(912)Изобретательство-(14524)Иностранные языки-(4268)Информатика-(17799)Искусство-(1338)История-(13644)Компьютеры-(11121)Косметика-(55)Кулинария-(373)Культура-(8427)Лингвистика-(374)Литература-(1642)Маркетинг-(23702)Математика-(16968)Машиностроение-(1700)Медицина-(12668)Менеджмент-(24684)Механика-(15423)Науковедение-(506)Образование-(11852)Охрана труда-(3308)Педагогика-(5571)Полиграфия-(1312)Политика-(7869)Право-(5454)Приборостроение-(1369)Программирование-(2801)Производство-(97182)Промышленность-(8706)Психология-(18388)Религия-(3217)Связь-(10668)Сельское хозяйство-(299)Социология-(6455)Спорт-(42831)Строительство-(4793)Торговля-(5050)Транспорт-(2929)Туризм-(1568)Физика-(3942)Философия-(17015)Финансы-(26596)Химия-(22929)Экология-(12095)Экономика-(9961)Электроника-(8441)Электротехника-(4623)Энергетика-(12629)Юриспруденция-(1492)Ядерная техника-(1748)

Рабочее оборудование




РАБОЧЕЕ И ВСПОМОГАТЕЛЬНОЕ ОБОРУДОВАНИЕ. ТОРМОЗНЫЕ СИСТЕМЫ ТРАКТОРОВ И АВТОМОБИЛЕЙ

На современных тракторах отечественного производства примене­на навесная гидравлическая система. Она служит для присоединения прицепных, полунавесных и навесных орудий к трактору. Ею управляет тракторист с рабочего места. Навесная гидравлическая система состоит из механизма навески и гидравлической части.

Механизм навески обеспечивает трактора с сельскохозяйственными орудиями. В него входят несколько тяг и рычагов, присоединенных к трактору обычно в задней части.

Гидравлическая часть предназначена для поднятия и опускания орудий, присоединенных к трактору. В нее входят гидробак I (рис. 74), масляный насос 3, распределитель 4 и гидроцилиндры 8.

 

 

Рис. 74. Схема гидравлической системы трактора:

1 - бак; 2 - маслопроводы низкого давления; 3 - маслинный насос; 4 - распре­делитель; 5 — золотник; 6 — рукоятка управления золотником; 7 - маслопроводы высокого давления; 8 - гидроцилиндр; 9 - механизм навески; 10 - навесное ору­дие; 11 - опорное колесо; П — "Подъем"; Н - нейтральное положение; О - "Принудительное опускание"; Пл. - "Плавающее положение"

Бак соединен металлическим трубопроводом со всасывающей ка­мерой насоса. Нагнетательная камера насоса трубопроводом сообщается с распределителем. Рукоятки 6 распределителя расположены в кабине. Трехзолотниковый распределитель делает систему универсальной и позволяет управлять раздельно сельскохозяйственными машинами или орудиями, расположенными сбоку, впереди и сзади трактора, с помо­щью гидроцилиндров с которыми соединена нагнетательная полость распределителя соединена с баком через фильтр. Действие гидросистемы основано на использовании давления масла, нагнетаемого масляным насосом в гидроцилиндр. Во время работы масляный насос засасывает масло из бака и под большим давлением подает его к распределителю. В зависимости от положенья рукояток распределителя, масло по масло­проводу 7 направляется в гидроцилиндр, поднимая или опуская соеди­ненное с ним орудие или сливается в бак. Универсально-пропашные тракторы кроме перечисленных частей гидравлическим или механиче­ским догружателем ведущих колес, позволяющим за счет навесного орудия увеличить сцепной вес трактора и повысить его проходимость. Составные части навесной гидравлической системы соединены между собой маслопроводами.

Гидробак служит резервуаром для рабочей жидкости (масла). Он состоит из корпуса и крышки. Бак сварен из двух штампованных из листовой стали половин. В верхней половине бака размещены заливная горловина, масломерная линейка, сапун и фильтр.

Масляный насос, применяемый в гидросистеме тракторов, - шесте­ренного типа (НШ). Насосы отличаются подачей и направлением вра­щения. Насос состоит из корпуса 9 (рис. 75) с крышкой 1, ведущей 6 и ведомой 8 шестерен, обойм и управляющих деталей.

Шестерни насоса изготовлены заодно с валами. В корпусе насоса находятся две полости: всасывающая с входным отверстием 10 и нагне­тательная с входным отверстием 11. Шестерни насоса расположены между двумя полуцилиндрическими обоймами подшипниковой 2 и поджимной 3. Подшипниковая обойма служит единой опорой для валов шестерен. Поджимная обойма под действием усилия, развиваемого дав­лением масла в зоне нагнетательного отверстия, поджимается к наруж­ной поверхности зубьев шестерен, обеспечивая необходимый зазор ме­жду зубьями и поверхностью обоймы. При вращении шестерен масло из высасывающей (заборной) полости переносится во впадинах их зубьев в нагнетательную полость.

Гидроцилиндры предназначены для поднятия или опускания сель­скохозяйственных орудий. На тракторе имеется один основной цилиндр шарнирно установленный на задней оси рамы трактора в комплекте с механизмом навески. Выносные цилиндры комплектуют с гидрофици-рованными прицепными орудиями на заводах.

Все гидроцилиндры конструктивно выполнены одинаково и разли­чаются только размерами деталей. Цифра в марке обозначает внутрен­ний диаметр цилиндра. Рассматриваемые цилиндры - двустороннего действия, масло под давлением может нагнетаться как в переднюю, так и в заднюю полости.

 

 

Рис. 75. Масляный насос: а -в сборе; б - детали; в - схема работы;

1 - крышка; 2 - обойма подшипников; 3 - поджимная обойма; 4 –резиновое кольцо; 5 - манжеты; 6 — ведущая шестерня; 7 — платики поджима; 8 – ведомая шестерня; 9 - корпус; 10 - входное отверстие; 11 - выходное отверстие; 12 — манжета радиального уплотнения.

Каждый цилиндр состоит из корпуса 5 (рис. 76), представляющего собой отрезок трубы с тщательно обработанной внутренней поверхно­стью, и двух крышек 1 и 8, скрепленных с корпусом четырьмя шпиль­ками 6. В цилиндре находится поршень 4, в кольцевой канавке которого установлено уплотняющее резиновое кольцо с прокладками из пласти­ка.

Рис. 76. Гидроцилиндр: а -устройство; б - схема работы;

1 — передняя крышка; 2 - шток; 3 — маслопроводная трубка; 4 - поршень; 5 - корпус цилиндра; 6 - шпилька; 7 — отверстие для подвода масла в заднюю полость; 8 - задняя крышка; 9 - клапан; 10 - головка штока; 11 - передвижной упор ограничителя хода штока; 12 - чистики; 13 - штуцер замедлительного кла­пана: 14 - замедлительный клапан; 15 и 16 - выходное и входное отверстия для отвода и подвода масла; А и Б - полости цилиндра

Поршень закреплен гайкой на стальном штоке 2, проходящем через отверстие задней крышки цилиндра и оканчивающемся головкой, кото­рую соединяют с подъемным рычагом механизма навески. В расточке крышки смонтированы металлические чистики 12, которые служат для снятия со штока грязи. В задней крышке цилиндра находятся клапан 9 регулирования хода поршня и два отверстия для подвода и отвода масла из цилиндра, при подъеме орудия масло поступает через отверстие 15 по трубке 3 в полость А. Под его давлением поршень со штоком пере­мещается вверх, поднимая навесное орудие. Одновременно масло из полости вытесняется поршнем к отверстию 16. При опускании орудия масло движется в обратном направлении. Ход поршня регулируют пе­ремещением упора 11 по штоку.

Распределитель направляет поток масла в гидроцилиндры. Он авто­матически переключает систему на холостой ход по окончании подъема или опускания орудия, а также предохраняет систему от перегрузки. На большинстве тракторов устанавливают трех секционный клапанно-золотниковый распределитель с независимой работой каждой секции. Рас­пределитель состоит из корпуса 6 (рис. 77), верхней и нижней крышек, трех золотников 8, перепускного 10 и предохранительного 12 клапанов.

Рис. 77. Распределитель: 1 - рукоятка; 2 — сливной канал (сливная полость); 3 - верхняя крышка;

4 - пружина; 5 - отводные каналы; 6 - корпус; 7 - отводные каналы; 8 — золотник; 9 — нижняя крышка; 10 — перепускной клапан; 11 – главный подающий канал (нагнетательная полость); 12 - предохранительный клапан; 13 - регулировочный винт

В корпусе распределителя имеются отверстия для золотников и ка­налы для прохода масла. Главный проходящий канал 11 соединяется с насосом. Отводные каналы 5 и 7, выходящие наружу попарно против золотника, соединяются с гидроцилиндрами. Причем масло, выходящее из каналов, расположенных на уровне отлитой на корпусе "П." должно поступить в цилиндр для подъема орудия. Против перепускного канала в корпусе распределителя находится сливной канал 2, который соединя­ется с гидробаком. Золотники входят в отверстие корпуса с очень малым зазором. Каждый золотник, управляя работой одного гидроцилинд­ра, может занимать четыре положения. Золотник перемещают рукоят­кой 1. Среднее положение рукоятки - нейтральное. Перемещение ее назад соответствует положению "Подъем", вперед - "опускание" и крайнее переднее положение "Плавающее". При перемещении рукояток золотники определенным образом располагаются выточками против соответствующих каналов в корпусе.

Механизм навески (рис. 78) служит для присоединения к трактору навесных и полунавесных орудий и установки их в рабочее и транс­портное положения. Он смонтирован сзади трактора и при соответст­вующей наладке может работать по двух- и трехточечной схеме присое­динения орудия к трактору.

Рис. 78. Механизм навески (трактора Т-150К):

1 - нижняя ось; 2 — поворотный рычаг штока; 3 - верхняя ось; 4 - гидроци­линдр; 5 - упорный рычаг; 6 - блокирующий палец; 7 - масленки; 8 - вал подъ­емных рычагов; 9 - подъемный рычаг; 10 - центральная тяга; 11 - раскос; 12-стопорный палец; 13 - нижняя тяга; 14-ограничительная цепь; 15-палец телескопического соединения; 16 - центральная головка; 17 - отверстие

Трактор, оборудованный навесной системой, и сельскохозяйствен­ное орудие вместе образуют, навесной агрегат. По сравнению с прицеп­ным он обладает некоторыми преимуществами: хорошей маневренно­стью, меньшим расходом топлива на единицу выполненной работы, относительно малой металлоемкостью навесных машин. Механизм на­вески состоит из нижней 1 и верхней 3 осей, закрепленных на раме трактора, верхней (центральной) тяги 10, подъемных рычагов 9 и свя­занных с ними нижних продольных тяг 13. На верхней оси свободно вращается полый вал, внутри которого с обеих сторон запрессованы чугунные втулки. На шлицевых концах вала установлены подъемные рычаги. На левом конце вала свободно помещен поворотный рычаг 2 штока гидроцилиндра, который соединен односторонней связью с ле­вым подъемным рычагом.

При работе трактора с навесными орудиями, которые заглубляются принудительно, поворотный рычаг штока и левый подъемный рычаг жестко соединяют пальцем, вставленным в отверстие 17. Запрещается вставлять палец в отверстие при работе с машинами и орудиями, не требующими принудительного заглубления (плугами, сеялками, куль­тиваторами и т.п.).

Прицепное устройство устанавливают при полностью поднятом механизме навески. Оно состоит из прицепной скобы 2 (рис. 79), уп­ряжной скобы 3 (серьги) и шкворня 5.

Рис. 79. Прицепное устройство:

а - расположение точки прицепа по высоте; б - устройство; 1 - бугель; 2 - прицепная скоба; 3 - упряжная скоба (серьга); 4 - палец; 5 - шкворень

Прицепная скоба закреплена болтами в бугелях 1, которые уста­новлены на соединительных кронштейнах рамы. В прицепной скобе расположены отверстия, в которых установлены соединительные паль­цы упряжной скобы. Упряжную скобу соединяют с прицепной обычно одним пальцем, при этом снижаются потери мощности трактора на по­воротах.

Автоматическая сцепка (рис. 80) предназначена для присоедине­ния сельскохозяйственной машины или орудия с трактором. Она состо­ит из рамки 1 и замка 6, приваренного к остову (раме) сельскохозяйст­венной машины. Рамку устанавливают на задний механизм навески. При комплектовании агрегата трактор подъезжает к машине задним ходом, после чего поднимают механизм навески до полного входа рам­ки в замок и закрывают защелку.

Рис. 80. Автосцепка: а - устройство; б - действие;

1 — рамка; 2 — планки; 3 - пружина; 4 - трос; 5 - рычаг; 6 - замок; 7 — рама орудия (машины); 8 — палец

Гидрофщированный прицепной крюк устанавливают на многие ко­лесный тракторы. Его используют для работы трактора. Во время рабо­ты трактора на транспортных работах груженый прицеп через крюк до­полнительно нагружает задние колеса трактора, в результате чего воз­растают сцепной вес трактора и его тяговое усилие.

Валы отбора мощности (ВОМ) предназначены для передачи мощ­ности двигателя на привод рабочих органов сельскохозяйственных ма­шин. Их различают по месту расположения на тракторе, типу привода, частоте вращения и способам управления. Большинство тракторов обо­рудовано задним ВОМ, некоторые - передним. Универсально-про­пашные тракторы имеют задний и боковой ВОМ.

По типу привода валы отбора мощности подразделяют на зависи­мые, независимые, полузависимые и синхронные. С зависимым приво­дом ВОМ вращается от трансмиссии при выключенном сцеплении ос­танавливается. ВОМ с независимым приводом получает вращение от коленчатого вала двигателя через ведущую часть сцепления независимо от выключения сцепления. Полунезависимый привод позволяет вра­щаться ВОМ при переключении передач, во время остановки, но не дает возможность включить и выключить его при движении трактора. У ВОМ с синхронным приводом частота вращения изменяется при пере­ключении передач пропорционально скорости движения трактора. Син­хронный привод применяют на пропашных тракторах для привода ра­бочих органов машин, скорость работы которых должна быть согласо­вана со скоростью движения трактора (например, навесных сеялок). Частота вращения ВОМ стандартизирована: 9 с"1 (540 об/мин) и 16,6 с4 (1000 об/мин). Хвостовики ВОМ всех тракторов имеют одинаковые по размеру шлицы и расположены на одной высоте от уровня опорной по­верхности трактора. Если ВОМ не используют, то выступающий его конец закрывают колпаком. Способы управления валами отбора мощ­ности бывают механические и гидравлические.

Гидравлическая система ВОМ включает в себя масляный насос 5, фильтр-заборник 8, клапанное устройство и маслопроводы. Клапанное устройство имеет два клапана, которые смонтированы в одном корпусе, прикрепленном к задней стенке редуктора. Клапан 16 поддерживает в системе постоянное давление (1,0 МПа) при переменной подаче масле­ного насоса. Клапан 4 плавного включения (рис. 81) необходим для управления ВОМ. Он состоит из шарика, двух пружин, штока и эксцен­трика 6 с рычагом 5 управления.

При включенном ВОМ клапан плавного включения выполняет роль предохранительного клапана. Когда рычаг 5 находится в выключенном положении, эксцентрик освобождает шток от поджатия. В этом положе­нии масляный насос засасывает рабочую жидкость через фильтр из под­дона редуктора и по нагнетательному маслопроводу подает ее к клапан­ному устройству (параллельно к обоим клапанам 4 и 7). Рабочая жид­кость (масло) через открытый клапан 4 плавного включения сливается в поддон и частично через канал 3 в ведомом валу поступает на смазыва­ние фрикционных дисков гидроподжимной муфты 2. При перемещении рычага 5 управления (рис. 81, б) в положение включения ВОМ эксцен­трик поворачивается и толкает шток вниз. Шток поджимает обе пружи­ны, прижимая шарик к седлу. Свободный слив рабочей жидкости прекращается, и она под давлением поступает в подпоршневую полость 10, сжимая фрикционные диски муфты. Давление рабочей жидкости возрастает от 0 до 1,0 МПа. При повышении давления более 1,0 МПа клапан 4 открывается, и излишек масла перепускается на слив в поддон. Клапан 4 открывается, и излишек масла перепускается на слив в поддон. Плавность включения муфты ВОМ зависит от темпа перемещения ры­чага управления.

 

Рис. 81. Схема работы гидросистемы ВОМ: а — при выключенном ВОМ; б - при включенном ВОМ;

1 — фильтр-заборник; 2 — гидроподжимная муфта; 3 - канал; 4 — клапан плавного включения; 5 - рычаг управления; 6 - эксцентрик; 7 - клапан постоянного дав­ления; 8 - масляный насос; 9 - ведомый вал; 10 - полость

На тракторе может быть установлен боковой ВОМ 9 (рис. 82), который облегчает привод механизмов сельскохо­зяйственных машин, располо­женных впереди и с боков трак­тора, боковой ВОМ устанавли­вают с левой стороны коробки передач (вместо боковой крыш­ки). Во вращение ВОМ приво­дится через подвижную шестер­ню 2, которую поводком 6 пе­ремещают по шлицам вала 7. Включают и выключают боко­вой ВОМ (при выключенном сцеплении) с помощью тяги 3, расположенной под поликом (с левой сторон сиденья).

 

 

Рис. 82. Боковой ВОМ трактора МТЗ-80:

1 - корпус; 2 - подвижная шестерня; 3 - тяга управления; 4 - рычаг; 5 - фикси­рующая пластина; о - поводок; 7 - ведомый вал

Для снижения скорости движения, остановки и удержания в непод­вижном состоянии тракторы и автомобили оборудуют тормозной сис­темой. Различают следующие виды тормозных систем:

- рабочую, необходимую для регулирования скорости движения машины и ее плавной остановки;

- стояночную, которая служит для удержания машины на уклоне;

- вспомогательную, предназначенную для крутых поворотов трактора.

Тормозная система состоит из тормозного механизма и его привода.

Тормозной механизм служит для создания искусственного сопро­тивления движению трактора и автомобиля. Наибольшее распростране­ние получили фрикционные тормоза, принцип действия которых осно­ван на использовании сил трения между неподвижными и вращающими деталями. Фрикционные тормоза могут быть барабанными, ленточными и дисковыми. В барабанном тормозе силы трения создаются на внут­ренней, цилиндрической поверхности вращения, в ленточном - на на­ружной, а в дисковом - на боковых поверхностях вращающего диска. По месту установки различают тормоза колесные и центральные (трансмиссионные). Первые действуют на ступицу колеса, а вторые - на один из валов трансмиссии. Колесные тормоза используют в рабочей тормозной системе, центральные - в стояночной.

Привод тормозов предназначен для управления тормозными меха­низмами при торможении. По принципу действия тормозные приводы разделяют на механические, пневматические и гидравлические. Меха­нический привод тормозов применяют на всех рассмотренных ранее тормозах тракторов. Этот привод используют и на стояночных тормо­зах, которыми оборудованы все автомобили и некоторые трактора.

Стояночный тормоз. На автомобилях установлены стояночные тормоза барабанного типа (рис. 83, а). Неподвижный диск 3 закреплен на корпусе коробки передач. На диске симметрично установлены две коробки 5, которые размещены внутри барабана. Тормозной барабан 7 закреплен на ведомом (вторичном) валу коробки передач. К тормозным колодкам снаружи прикреплены фрикционные накладки. Нижние кон­цы колодок через пальцы 9 опираются на коническую головку регули­ровочного винта 10. Верхняя часть колодок опирается на толкатели 6 разжимного устройства, которое состоит из стержня 4 и двух шариков. Стержень соединен через приводной рычаг и тягу с рычагом 2 цен­трального (стояночного) тормоза. Для затормаживания автомобиля (рис. 83, 6) рычаг 2 тормоза рукой перемещают назад.

В это время нижний конец рычага, перемещаясь вперед, через тягу и проводной рычаг 11 действует на разжимной стержень 4 с шариками.

Рис. 83. Стояночный тормоз барабанного типа (автомобиль ГАЗ-53А): а - устройство; б - схема работы (тормоз включен);

1 - кнопка фиксатора; 2 - рычаг; 3 - неподвижный диск; 4 - разжимной стер­жень; 5 - тормозные колодки; 6 - толкатель; 7 - барабан; 8 - стяжная пружина; 9 — пальцы; 10 — регулировочный винт; 11 — приводной рычаг; 12 -тяга; 13 - шарик; 14 -тормозной барабан

Под воздействием шариков 13 и толкателей б верхние концы коло­док раздвигаются и их фрикционные накладки прижимаются к тормоз­ному барабану, который затормаживается и препятствует вращению соединенного с ним карданного вала трансмиссии. В заторможенном положении рычаг тормоза фиксируется на секторе защелкой. Чтобы выключить стояночный тормоз, необходимо освободить защелку, нажав на кнопку 1и переместить рычаг тормоза вперед. При этом разжимной стержень 4 тоже переместиться вместе с шариками вперед и освободит толкатели 6. Под действием стяжных пружин 8 колодки отойдут в ис­ходное положение. Необходимый зазор между фрикционными наклад­ками колодок и барабаном устанавливают регулировочным винтом 10.

На колесном тракторе общего назначения применяют стояночный тормоз ленточного типа (рис. 84). Торможение достигается трением, воз­никающим между тормозной лентой и шкивом, который закреплен на валу привода переднего ведущего моста. Шкив 4 охватывает стальная лента 5 с чугунными накладками. Один конец ленты закреплен в крон­штейне 9, привернутом к корпусу раздаточной коробки, а с другой соеди­нен системой тяг с ручным рычагом 12 управления центрального тормоза, расположенным в кабине. Рычаг тормоза фиксируется храповиком.

Рис. 84. Стояночный тормоз ленточ­ного типа (трактора Т-150К):

I- регулировочный болт; 2 - опоратормозной ленты; 3 - оттяжная пружина; 4 — шкив; 5, - тормозная лента; 6 - регулировочная гайка ленты;7 - тяга; 8 - пальцы; 9 - кронштейн;10 - компенсирующая пружина; 11— двухплечий рычаг; 12 – рычаг управления тормозом

Равномерный зазор между тормозной лентой и шкивом обеспечивают оттяжные пружи­ны 3 и регулировочный болт 1. При переводе рычага 12 на себя усилие передается через систему тяг на ленту, которая затягивает­ся вокруг шкива и затормажива­ет его. В исходное положение ленту возвращают пружины по­сле отведения рычага от себя. На некоторых колесных тракторах установлены дисковые тормоза.

Барабанный тормозной механизм с гидравлическим приво­дом применяют на автомобилях. Он состоит из двух колодок 13

(рис. 85), установленных на опорном диске 2, колесного тормозного цилиндра 3, опорных пальцев и регулировочных эксцентриков. На на­ружные поверхности колодок наклепаны фрикционные накладки. Пе­редняя накладка длиннее задней. При торможении они прижимаются к тормозному барабану колеса с большой силой. Этим обеспечивается их равномерное изнашивание. Между собой колодки стянуты пружиной 4. Их нижние концы опираются на эксцентриковые шайбы, надетые на опорные пальцы 11, а верхний - на сухари поршней колесного тормоз­ного цилиндра. Зазор между колодками и тормозным барабаном колеса регулируют с помощью эксцентриков 1, установленных под колодками в опорном диске.

Рис. 85. Барабанный тормозной механизм автомобиля ГАЗ-53А: 1 - регулировочный эксцентрик; 2 - опорный диск; 3 - колесный цилиндр; 4 - стяжная пружина; 5 - сухарь; 6 - поршень; 7 - разжимная пружина; 8 - кор­пус; 9 - манжета; 10 - клапан; 11 - опорные пальцы; 12 - эксцентриковые шай­бы; 13-колодки; 14 - направляющие скобы; 15 - контргайки

Колесный тормозной цилиндр включает в себя корпус 8, прикреп­ленный к диску колеса, два поршня 6, установленных в корпусе и суха­ри 5. Для уплотнения в поршни с помощью пружин 7 упираются рези­новые манжеты 9, чтобы в цилиндр не попадали пыль и грязь, он с обе­их сторон закрыт резиновыми защитными колпачками. В корпусе ци­линдра имеются два канала. Через нижний канал поступает тормозная жидкость из главного тормозного цилиндра, а через верхний - удаляет­ся воздух из тормозной системы. Выпускное отверстие этого канала закрыто клапаном 10 с резиновым колпачком. Тормозная жидкость по­дается от главного тормозного цилиндра в колесный по металлическим трубам и гибким шлангам из прорезиненной ткани.

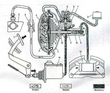
Гидровакуумный усилитель (рис. 86) состоит из силовой камеры 4, цилиндра 9 и клапана управления

Рис. 86. Схема гидровакуумного усилителя:

1 - педаль тормоза; 2 - впускной трубопровод; 3 - запорный клапан; 4 - силовая камера; 5 - воздушный клапан; 6 - вакуумный клапан; 7 - диафраг­ма клапана управления; 8 - воздушный фильтр; 9 - цилиндр усилителя; 10 — поршень усилителя; 11 - поршень клапана управления; 12 - толкатель; 13 - колесный тормозной цилиндр; 14 - главный тормозной цилиндр; А и Б - полости силовой камеры

. Корпус силовой камеры представляет собой две штампованные чашки, соединенные хомутами. Между чаш­ками зажаты края диафрагмы, наружной пружиной. Диафрагма соеди­нена через тарелку и толкатель 12 с поршнем 10, помещенным в ци­линдр усилителя. Внутри поршня помещен шариковый клапан с пружи­ной. Клапан управления включает поршень 11, диафрагму 7 с пружиной и два клапана: воздушный 5 и вакуумный 6, соединенные между собой штоком. Гидровакуумный усилитель работает следующим образом.

При отпущенной педали тормоза воздушный клапан управления закрыт, а вакуумный клапан открыт и через него полости А и В силовой камеры сообщаются между собой. Следовательно, в полостях А и Б ус­танавливается одинаковое давление. При нажатии на педаль 1 тормоза жидкость из главного тормозного цилиндра через открытый шариковый клапан поршня 10 усилителя поступает к колесным тормозам, приводя их в действие. По мере увеличения давления на педаль тормоза поршень 11 и диафрагма 7 клапана управления перемещаются вверх. При этом вакуумный клапан 6 закрывается, разобщая между собой полости А и Б, а воздушный 5 открывается. В полости Б создается разрежение, по­скольку она соединена с впускным трубопроводом двигателя. Вследст­вие разницы давлений в полостях А и Б силовой камеры диафрагма, толкатель и поршень 10 усилителя перемещается вправо, шариковый клапан закрывается, и давление тормозной жидкости перед поршнем увеличится благодаря дополнительному давлению, создаваемому гид­ровакуумным усилителем. Чем больше усилие, прикладываемое води­телем на педаль тормоза, тем больше давление воздуха на диафрагму гидровакуумного усилителя и соответственно увеличивается давление жидкости в колесных тормозах цилиндра. Между силовой камерой и выпускным трубопроводом установлен запорный клапан 3, автоматиче­ски разъединяющий их при остановке двигателя. Поскольку в момент остановки в полости Б имеется запас вакуума, то обеспечивается одно-два торможения с усилием при неработающем двигателе.

Пневматический привод. На рисунке 87 показано расположение со­ставных частей пневматического привода на автомобиле. Пневматический привод обеспечивает работу колесных тормозов и стеклоочистителей. Для создания запаса сжатого воздуха служат воз­душные баллоны 3. Во время торможения воздух из баллонов поступает в камеры 4 и 9 и затормаживают колеса.

Рис. 87. Схема пневматического привода тормозов автомобиля: 1 - компрессор; 2 - стеклоочиститель; 3 - воздушные баллоны; 4 - задние тор­мозные камеры; 5 - соединительная головка; 6 - разобщительный кран; 7 - со­единительный шланг; 8 -тормозной кран; 9 - передние тормозные камеры

На колесных тракторах пнев­матический привод обеспечивает дополнительную работу механизма выключения сцепления, позволяет использовать воздух для накачки шин и заправки топливного бака.

Тормозная камера 9 (рис. 87) приводит в действие колесный тор­мозной механизм за счет энергии сжатого воздуха. При нажатии на педаль тормоза под крышку тормозной камеры поступает сжатый воздух, который прогибает диафрагму к корпусу вместе с диском и перемещает шток. Последний через вилку передает усилие на рычаг, поворачивает его вместе с кулаком, в результате тормозные колодки разводятся и прижимаются к барабану - колесо затормаживается. После отпускания педали тормоза колодки возвращаются в исходное положение пружи­ной, которая стягивает их.

Компрессор (рис. 87) поршневого типа двухцилиндровый, нагнета­ет воздух в воздушные баллоны. Он состоит из картера, блока цилинд­ров, головки, шатунно-поршневой группы, коленчатого вала, клапанно­го и разгрузочного устройства. Под действием разрежения, создаваемо­го в цилиндре компрессора при ходе поршня вниз, открывается впуск­ной клапан, и в цилиндр через воздушный фильтр двигателя поступает воздух. Во время движения поршня вверх впускной клапан закрывается, сжатый воздух в цилиндре открывает нагнетательный клапан, поступает в головку и в воздушные баллоны.

Тормозной кран комбинированного типа служит для управления колесными тормозами трактора и прицепа. Он установлен на лонжероне рамы. В общем корпусе тормозного крана имеются две секции. Нижняя секция управляет тормозами трактора, а верхняя - тормозами прицепа. В каждой секции крана между корпусом и крышкой закреплена гибкая резинотканевая диафрагма с гнездом выпускного клапана.

Тормозная система гусеничного трактора состоит из педалей и ры­чагов левых и правых тормозов. Рычаги и через тяги воздействуют на ленту тормоза солнечной шестерни, а педали через тяги - на ленту ос­тановочного тормоза. Для удобства рычаги управления снабжены пла­стмассовыми рукоятками, а педали упорными подушками. Рычаги управления и педали установлены в керамических втулках на осях, ко­торые плотно входят в отверстия литых чугунных кронштейнов, закре­пленных на раме трактора. Втулки рычагов и педалей смазывают через масленки, ввернутые в торцы осей.

 




Поделиться с друзьями:


Дата добавления: 2014-12-26; Просмотров: 6174; Нарушение авторских прав?; Мы поможем в написании вашей работы!


Нам важно ваше мнение! Был ли полезен опубликованный материал? Да | Нет



studopedia.su - Студопедия (2013 - 2026) год. Все материалы представленные на сайте исключительно с целью ознакомления читателями и не преследуют коммерческих целей или нарушение авторских прав! Последнее добавление




Генерация страницы за: 0.01 сек.