Студопедия

КАТЕГОРИИ:


Архитектура-(3434)Астрономия-(809)Биология-(7483)Биотехнологии-(1457)Военное дело-(14632)Высокие технологии-(1363)География-(913)Геология-(1438)Государство-(451)Демография-(1065)Дом-(47672)Журналистика и СМИ-(912)Изобретательство-(14524)Иностранные языки-(4268)Информатика-(17799)Искусство-(1338)История-(13644)Компьютеры-(11121)Косметика-(55)Кулинария-(373)Культура-(8427)Лингвистика-(374)Литература-(1642)Маркетинг-(23702)Математика-(16968)Машиностроение-(1700)Медицина-(12668)Менеджмент-(24684)Механика-(15423)Науковедение-(506)Образование-(11852)Охрана труда-(3308)Педагогика-(5571)Полиграфия-(1312)Политика-(7869)Право-(5454)Приборостроение-(1369)Программирование-(2801)Производство-(97182)Промышленность-(8706)Психология-(18388)Религия-(3217)Связь-(10668)Сельское хозяйство-(299)Социология-(6455)Спорт-(42831)Строительство-(4793)Торговля-(5050)Транспорт-(2929)Туризм-(1568)Физика-(3942)Философия-(17015)Финансы-(26596)Химия-(22929)Экология-(12095)Экономика-(9961)Электроника-(8441)Электротехника-(4623)Энергетика-(12629)Юриспруденция-(1492)Ядерная техника-(1748)

Параллельные регистры. Регистры-защелки




Реверсивные регистры сдвига

Реверсивные регистры сдвига обеспечивают возможность сдвига информации как вправо, так и влево. Они имеют специальный вход управления направлением сдвига.

Поскольку транзисторы и логические элементы способны передавать сигналы только в одном направлении с входа на выход (слева направо), то, для сдвига информации влево, необходимо информацию с выхода последующих триггеров по специально созданным цепям подавать на входы предыдущих триггеров и записывать их следующим тактовым сигналом. Это эквивалентно сдвигу информации влево.

Фрагмент функциональной схемы реверсивного регистра сдвига приведён на рисунке 56.

Рисунок 56 Реверсивный регистр сдвига

Если сигнал на входе направления сдвига N=1, то потенциал на входе «Di» триггера определяется выходом Q триггера, стоящего слева от него. Если N=0, то выходом триггера, стоящего справа.

Таким образом, при N=1 тактовые импульсы производят сдвиг информации вправо, а при N=0 –— сдвиг информации влево.

 

 

Запись кода в параллельные регистры осуществляется параллельным кодом, то есть во все разряды регистра одновременно. Их функция сводится только к приёму, хранению и передаче информации. В связи с этим параллельные регистры называют регистрами памяти.

Параллельный N-разрядный регистр состоит из N триггеров, объединённых общими цепями управления.

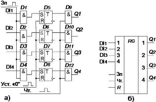
В качестве примера на рисунке 54,а приведена схема 4-разрядного параллельного регистра, построенного на RS-триггерах D5…D8. Элементы D1…D4 образуют цепь управления записью, а элементы D9…D12 — цепь управления чтением.

Рисунок 54 Функциональная схема а) и УГО б) параллельного регистра.

 

Перед записью информации все триггеры регистра устанавливают в состояние «0» путём подачи импульса «1» на их R-входы.

Записываемая информация подаётся на входы DI1…DI4. Для записи информации подаётся импульс «Зп», открывающий входные элементы «И». Код входного числа записывается в регистр. По окончании импульса «Зп» элементы D1…D4 закрываются, а информация, записанная в регистр, сохраняется, несмотря на то, что входная информация может изменяться.

Для считывания информации подают сигнал «1» на вход «Чт». По этому сигналу на выходные шины регистра на время действия сигнала передаётся код числа, записанный в регистр. По окончанию операции чтения выходные ключи закрываются, а информация, записанная в регистр, сохраняется. То есть, возможно, многократное считывание информации. Условное графическое обозначение параллельного регистра приведено на рисунке 54,б.

Буферный регистр КР580ИР82, входящий в состав МП-комплекта КР580, построен на D-триггерах и предназначен для записи и сохранения 8-разрядных данных в течение заданного промежутка времени. Этот регистр называют также регистром-защёлкой.

 

 




Поделиться с друзьями:


Дата добавления: 2015-05-06; Просмотров: 2648; Нарушение авторских прав?; Мы поможем в написании вашей работы!


Нам важно ваше мнение! Был ли полезен опубликованный материал? Да | Нет



studopedia.su - Студопедия (2013 - 2026) год. Все материалы представленные на сайте исключительно с целью ознакомления читателями и не преследуют коммерческих целей или нарушение авторских прав! Последнее добавление




Генерация страницы за: 0.008 сек.