Студопедия

КАТЕГОРИИ:


Архитектура-(3434)Астрономия-(809)Биология-(7483)Биотехнологии-(1457)Военное дело-(14632)Высокие технологии-(1363)География-(913)Геология-(1438)Государство-(451)Демография-(1065)Дом-(47672)Журналистика и СМИ-(912)Изобретательство-(14524)Иностранные языки-(4268)Информатика-(17799)Искусство-(1338)История-(13644)Компьютеры-(11121)Косметика-(55)Кулинария-(373)Культура-(8427)Лингвистика-(374)Литература-(1642)Маркетинг-(23702)Математика-(16968)Машиностроение-(1700)Медицина-(12668)Менеджмент-(24684)Механика-(15423)Науковедение-(506)Образование-(11852)Охрана труда-(3308)Педагогика-(5571)Полиграфия-(1312)Политика-(7869)Право-(5454)Приборостроение-(1369)Программирование-(2801)Производство-(97182)Промышленность-(8706)Психология-(18388)Религия-(3217)Связь-(10668)Сельское хозяйство-(299)Социология-(6455)Спорт-(42831)Строительство-(4793)Торговля-(5050)Транспорт-(2929)Туризм-(1568)Физика-(3942)Философия-(17015)Финансы-(26596)Химия-(22929)Экология-(12095)Экономика-(9961)Электроника-(8441)Электротехника-(4623)Энергетика-(12629)Юриспруденция-(1492)Ядерная техника-(1748)

Регистры сдвига. Реверсивные регистры




Счетчики импульсов, их назначение, классификация. Принцип работы суммирующего счетчика.

В устройствах цифровой обработки информации измеряемый параметр (угол поворота, скорость, давление и т. п.) преобразуются в импульсы напряжения, число которых в соответствующем масштабе характеризует значение данного параметра. Эти импульсы подсчитываются счётчиками импульсов и выражаются в виде цифр.

Для удовлетворения потребностей разработчиков цифровых электронных устройств различного назначения разработаны интегральные микросхемы счётчиков с широким спектром параметров. Всё многообразие счётчиков можно классифицировать по следующим признакам.


1 По направлению счёта:

• Суммирующие,

• Вычитающие,

• Реверсивные.

2 коэффициенту счёта:

• Двоичные,

• Двоично-десятичные (декадные),

• С постоянным произвольным коэффициентом счёта,

• С переменным коэффициентом счёта.

3 способу организации внутренних связей:

• С последовательным переносом,

• С параллельным переносом,

• С комбинированным переносом,

• Кольцевые.


Классификационные признаки независимы и могут встречаться в разных сочетаниях. Например, суммирующие счётчики могут быть как с последовательным, так и с параллельным переносом и могут иметь двоичный или десятичный коэффициент счёта.

 

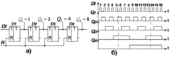
Простейшим счётчиком является Т-триггер, считающий до 2-х, то есть осуществляющий счёт и хранение не более 2-х сигналов.

Счётчик, образованный цепочкой из n триггеров сможет подсчитать в двоичном коде 2n импульсов. Число n определяет количество разрядов двоичного числа, которое может быть записано в счётчик.

Схема простейшего 4-х разрядного счётчика приведена на рисунке 60,а. Принцип работы счётчика проиллюстрирован временными диаграммами, приведёнными на рисунке 60,б.

Рисунок 60 Схема двоичного суммирующего счётчика а)

и временные диаграммы его работы б).

Первый разряд счётчика переключается с приходом каждого входного импульса, что соответствует алгоритму работы Т-триггера. На каждые два входных импульса Т-триггер формирует один выходной импульс.

Второй разряд переключается в состояние «1» после прихода каждого 2-го импульса.

Третий разряд — после прихода каждого 4-го импульса.

Четвёртый разряд — после прихода каждого 8-го импульса.

Если число входных импульсов NВХ > KСЧ, то при NВХ=KСЧ происходит переполнение счётчика, после чего счётчик возвращается в нулевое состояние и повторяет цикл работы.

Регистры сдвига представляют собой цепочку последовательно включённых D-триггеров или RS- и JK-триггеров, включённых в режим D-триггера. Появление импульса на тактовом входе регистра сдвига вызывает перемещение записанной в нём информации на один разряд вправо или влево. Как и другие регистры, регистры сдвига используются для записи, хранения и выдачи информации, но основным их назначением является преобразование последовательного кода в параллельный или параллельного в последовательный.

Схема 4-разрядного регистра сдвига приведена на рисунке 55. Схема работает следующим образом. Благодаря тому, что выход предыдущего разряда соединён со входом «D» последующего, каждый тактовый импульс устанавливает последующий триггер в состояние, в котором до этого находился предыдущий. Так осуществляется сдвиг информации вправо.

4разр.регистр сдвига

Вход «D» первого триггера служит для приёма в регистр входной информации DI в виде последовательного кода. С каждым тактовым импульсом на этот вход должен подаваться код нового разряда входной информации.

С выхода «Q4» последнего триггера снимается последовательный выходной код.

Параллельный выходной код можно снять с выходов Q1…Q4 всех триггеров регистра сдвига, снабдив их выходными ключами, подобными выходным ключам параллельного регистра.




Поделиться с друзьями:


Дата добавления: 2015-05-06; Просмотров: 2108; Нарушение авторских прав?; Мы поможем в написании вашей работы!


Нам важно ваше мнение! Был ли полезен опубликованный материал? Да | Нет



studopedia.su - Студопедия (2013 - 2026) год. Все материалы представленные на сайте исключительно с целью ознакомления читателями и не преследуют коммерческих целей или нарушение авторских прав! Последнее добавление




Генерация страницы за: 0.012 сек.