Студопедия

КАТЕГОРИИ:


Архитектура-(3434)Астрономия-(809)Биология-(7483)Биотехнологии-(1457)Военное дело-(14632)Высокие технологии-(1363)География-(913)Геология-(1438)Государство-(451)Демография-(1065)Дом-(47672)Журналистика и СМИ-(912)Изобретательство-(14524)Иностранные языки-(4268)Информатика-(17799)Искусство-(1338)История-(13644)Компьютеры-(11121)Косметика-(55)Кулинария-(373)Культура-(8427)Лингвистика-(374)Литература-(1642)Маркетинг-(23702)Математика-(16968)Машиностроение-(1700)Медицина-(12668)Менеджмент-(24684)Механика-(15423)Науковедение-(506)Образование-(11852)Охрана труда-(3308)Педагогика-(5571)Полиграфия-(1312)Политика-(7869)Право-(5454)Приборостроение-(1369)Программирование-(2801)Производство-(97182)Промышленность-(8706)Психология-(18388)Религия-(3217)Связь-(10668)Сельское хозяйство-(299)Социология-(6455)Спорт-(42831)Строительство-(4793)Торговля-(5050)Транспорт-(2929)Туризм-(1568)Физика-(3942)Философия-(17015)Финансы-(26596)Химия-(22929)Экология-(12095)Экономика-(9961)Электроника-(8441)Электротехника-(4623)Энергетика-(12629)Юриспруденция-(1492)Ядерная техника-(1748)

Как работает компрессор




Компрессоры и лимитеры

 

Сжатие (сужение) динамического диапазона сигнала может исполь­зоваться для того, чтобы средний уровень программы был доста­точно высоким. Это обеспечивает известное уменьшение шумов ка­нала за счет их маскировки сильным сигналом. При записи развле­кательной популярной музыки сжатие динамического диапазона может применяться в некоторых пассажах аккомпанемента, кото­рый иначе пришлось бы записывать с меньшим уровнем, чтобы избежать перегрузки при возможном резком увеличении звука (он к тому же полностью заглушил бы основную партию). Можно при­менить компрессию для канала, в котором передается основной сигнал. В противном случае ее уровень надо было бы поднять на протяжении всей композиции, и мелодия стала бы слишком «выпи­рать» на фоне аккомпанемента.

 

 

Уровни сигнала, которые будут меньше некоторого, определенного уровня (называемого пороговым), остаются неизменными. Выше порогового уровня любое увеличение уровня выходного сигнала происходит в определенной пропорции относительно прироста входного сигнала, например, 2:1; 3:1 или 5:1. Если, скажем, поро­говый уровень на 8 дБ ниже уровня 100%-ной модуляции сигнала и выбрана пропорция 2:1, то это означает, что те пики случайного (музыкального) сигнала, которые раньше были на 8 дБ выше уровня полной 100%-ной модуляции, теперь е точности достигают его и не перегружают тракт. Если бы мы выбрали закон компрессии 5:1, то сигналы, которые раньше были на 32 дБ больше номинальных, вызывающих 100%-ную модуляцию, теперь как раз доходили бы

до допустимого максимума, т. е. не перемодулировали бы канал.

 

 

 

Внешний вид блока компрессора/лимитера: А — индикатор уровня (диапазон: - 24 дБ);

Б — переключатель пороговых уровней от —24 до +16 дБ относительно номинального нулевого значения; В — закон компрессии — 1:1 (т. е. компрессия отсутствует);

2:1; 3:1; 5:1 и Lim (например. 20:1, т.е. режим ограничения). Г — выбор времени срабатывания: от —0,1 до 3,2 с.

 

 

Соотношения компрессии. А — линейный режим, когда уровни на входе и на выходе одинаковы. Выше определенного порогового уровня. Б - уровень выходного сигнала уменьшается относительно входного в соответствии с определенным отношением В.

В крайнем случае Г компрессор начинает работать как ограничитель сигнала, удерживал максимальный уровень выходного сигнала примерно около порогового значения.

 

 

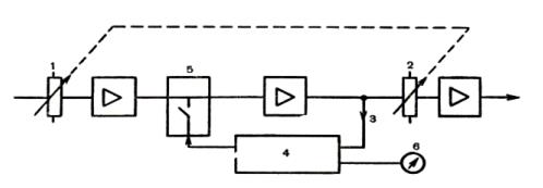
Простая схема компрессора/лимитера: 1 и 2— регуляторы порогового уровня (сопряженные механически). Часть сигнала программы 3 подается на боковую цепь 4, в которой есть регулировка закона ограничения и времени срабатывания, затем на управляющий элемент 5, включенный в основной канал. Степень умень­шения сигнала показана на индикаторе 6.

 

 

На практике это означает, что общий уровень в канале можно поднять на 8 или 32 дБ, не опасаясь перегрузок, и слабые сигналы будут теперь играть в звучании гораздо большую роль, чем прежде.

 

Как работает ограничитель (лимитер)

 

Предположим теперь, что отношение входного и выходного сигна­ла сделано очень большим, например 20:1, а пороговый уровень поднят почти до уровня 100%-ной модуляции. Компрессор теперь работает так, что его называют ограничителем сигнала. Оставляя постоянно включенным в канале, его можно использовать для того, чтобы в электроакустический тракт не прошли большие пики сиг­нала, которые могут сильно перегрузить и даже испортить слабо­точное оборудование, или чтобы «вытащить» почти неслышный сигнал до номинального уровня. Возникают, правда, две опасности: сигналы больших уровней могут быть слишком сильно сжаты, так что динамические соотношения в полученном звучании будут весьма нереальными, а при большом усилении слабых сигналов одновременно сильно увеличатся шумы.

Как мы видели, действие компрессора с пороговым уровнем на 8 дБ ниже номинального и отношением 2:1 сводится к тому, что сжинаются только сигналы, уровни которых попадают в «трубку» шириной 16 дБ. Сигналы с меньшими уровнями изменяются с отно­шением 1:1.

Время срабатывания в большинстве ограничителей можно уста­новить на 0,1; 0,2; 0,4; 0,8; 1,6 и 3,2 секунд. При минимальном времени срабатывания ограничитель будет хорошо ограничивать короткие всплески сигнала, не влияя на сигналы «заднего плана». Однако при быстрой последовательности пиков может возникнуть неприят­ный на слух эффект, похожий на вибрато. Для большинства слу­чаев вполне годится время срабатывания порядка 0,5 секунд. При не­большом ограничении выбранная величина некритична.

Компрессоры и лимитеры не следует использовать для записи классической музыки. Да и вообще уровнем записи лучше управ­лять вручную во всех тех случаях, когда это технически осущест­вимо. Использование сжатия динамического диапазона сигналов в «поп-музыке» — особый случай.

 




Поделиться с друзьями:


Дата добавления: 2015-06-25; Просмотров: 524; Нарушение авторских прав?; Мы поможем в написании вашей работы!


Нам важно ваше мнение! Был ли полезен опубликованный материал? Да | Нет



studopedia.su - Студопедия (2013 - 2026) год. Все материалы представленные на сайте исключительно с целью ознакомления читателями и не преследуют коммерческих целей или нарушение авторских прав! Последнее добавление




Генерация страницы за: 0.01 сек.