Студопедия

КАТЕГОРИИ:


Архитектура-(3434)Астрономия-(809)Биология-(7483)Биотехнологии-(1457)Военное дело-(14632)Высокие технологии-(1363)География-(913)Геология-(1438)Государство-(451)Демография-(1065)Дом-(47672)Журналистика и СМИ-(912)Изобретательство-(14524)Иностранные языки-(4268)Информатика-(17799)Искусство-(1338)История-(13644)Компьютеры-(11121)Косметика-(55)Кулинария-(373)Культура-(8427)Лингвистика-(374)Литература-(1642)Маркетинг-(23702)Математика-(16968)Машиностроение-(1700)Медицина-(12668)Менеджмент-(24684)Механика-(15423)Науковедение-(506)Образование-(11852)Охрана труда-(3308)Педагогика-(5571)Полиграфия-(1312)Политика-(7869)Право-(5454)Приборостроение-(1369)Программирование-(2801)Производство-(97182)Промышленность-(8706)Психология-(18388)Религия-(3217)Связь-(10668)Сельское хозяйство-(299)Социология-(6455)Спорт-(42831)Строительство-(4793)Торговля-(5050)Транспорт-(2929)Туризм-(1568)Физика-(3942)Философия-(17015)Финансы-(26596)Химия-(22929)Экология-(12095)Экономика-(9961)Электроника-(8441)Электротехника-(4623)Энергетика-(12629)Юриспруденция-(1492)Ядерная техника-(1748)

Искусственная реверберация в эхо-камере




 

«Эхо-камера» — довольно-таки странное название для устройства, которое предназначено для увеличения времени реверберации. Это устройство не вносит ничего, что, собственно, и называется «эхо». Однако название закрепилось за ним и принято ныне. Эхо-камеру используют в тех случаях, когда нужно большее время ревер­берации, чем возможно в студии с конкретной акустикой и когда (при записи музыки) используют многоканальную запись с близким расположением микрофонов относительно источников.

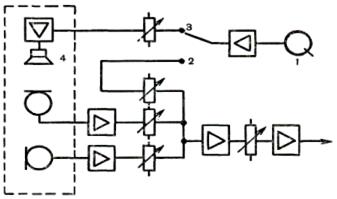
В большинстве звукорежиссерских пультов предусмотрена воз­можность подачи любого источника на устройство искусственной

 

 

 

Схема подачи сигнала в эхо-камеру: 1— микрофон; 2 — воспроизводящая головка магнитофона; 3 — проигрыватель; 4 — предварительные усилители; 5 — индивидуальные регуляторы уровня источников; 6 — разделительный трансформа­тор; 7 — сдвоенные переключатели, регулирующие уровни сигналов в основной цепи и в цепи эхо-камеры. Обычно у такого переключателя девять положений: в центральном положении уровни сигналов в обеих цепях максимальны. При повороте ручки влево сигнал, подаваемый в эхо-камеру, ступенчато уменьшается до нуля, при повороте вправо уменьшается сигнал в основной цепи: 8 — эхо-камера; 9 — регу­лятор уровня эхо-сигнала; 10 — общий регулятор уровня.

 

 

Эхо-камера. Иногда помещение эхо-камеры делают V-образным, чтобы увели­чить расстояние от громкоговорителя до микрофона. Наклонный потолок, и непа­раллельные стены предотвращают образование пространственных резонансов.

 

 

 

 

Акустическая добавка. Магнитофон или проигрыватель 1, сигнал от которых обычно подается на микширующее устройство через контакт 2, иногда (если записанное звучание «сухо», и реверберация студни «оживит» его) включают че­рез контакт 3 к контрольному громкоговорителю студии 4.

 

реверберации. Поскольку для каждого источника можно устано­вить свое время реверберации, это дает большую свободу действий, чем в помещении с естественной акустикой.

Вполне удовлетворительно работают в системах искусственной реверберации эхо-камеры и листовой ревербератор. Существует и гораздо более компактная и дешевая пружинная система. Все они обеспечивают создание случайных затухающих многократных от­ражений. Основная техническая проблема в каждом случае — как устранить или уменьшить отчетливо слышимую окраску звуча­ния.

Эхо-камера может быть помещением с твердыми отражающими стенами, в котором произвольно «разбросаны» предметы непра­вильной формы, призванные устранить однородность отражений и уменьшить избыточную реверберацию на средних частотах. При влажном воздухе время реверберации на верхних частотах повышается; если воздух сухой, верхние частоты лучше погло­щаются. Поэтому свойства эхо-камеры, связанной как-либо с внеш­ним миром, могут меняться в зависимости от погоды.

 




Поделиться с друзьями:


Дата добавления: 2015-06-25; Просмотров: 1182; Нарушение авторских прав?; Мы поможем в написании вашей работы!


Нам важно ваше мнение! Был ли полезен опубликованный материал? Да | Нет



studopedia.su - Студопедия (2013 - 2026) год. Все материалы представленные на сайте исключительно с целью ознакомления читателями и не преследуют коммерческих целей или нарушение авторских прав! Последнее добавление




Генерация страницы за: 0.012 сек.