Студопедия

КАТЕГОРИИ:


Архитектура-(3434)Астрономия-(809)Биология-(7483)Биотехнологии-(1457)Военное дело-(14632)Высокие технологии-(1363)География-(913)Геология-(1438)Государство-(451)Демография-(1065)Дом-(47672)Журналистика и СМИ-(912)Изобретательство-(14524)Иностранные языки-(4268)Информатика-(17799)Искусство-(1338)История-(13644)Компьютеры-(11121)Косметика-(55)Кулинария-(373)Культура-(8427)Лингвистика-(374)Литература-(1642)Маркетинг-(23702)Математика-(16968)Машиностроение-(1700)Медицина-(12668)Менеджмент-(24684)Механика-(15423)Науковедение-(506)Образование-(11852)Охрана труда-(3308)Педагогика-(5571)Полиграфия-(1312)Политика-(7869)Право-(5454)Приборостроение-(1369)Программирование-(2801)Производство-(97182)Промышленность-(8706)Психология-(18388)Религия-(3217)Связь-(10668)Сельское хозяйство-(299)Социология-(6455)Спорт-(42831)Строительство-(4793)Торговля-(5050)Транспорт-(2929)Туризм-(1568)Физика-(3942)Философия-(17015)Финансы-(26596)Химия-(22929)Экология-(12095)Экономика-(9961)Электроника-(8441)Электротехника-(4623)Энергетика-(12629)Юриспруденция-(1492)Ядерная техника-(1748)

Порядок выполнения работы. 4.1 Перед проведением лабораторной работы необходимо привести модули в исходное состояние:




4.1 Перед проведением лабораторной работы необходимо привести модули в исходное состояние:

- отключить кнопку «Сеть» модуля ТП, тумблер SA6 «Разрешение» установить в нижнее положение, тумблер SA2 перевести в положение «Момент», тумблер SA4 перевести в положение «НМ», SA3 – в положение «Руч», потенциометр RP1 установить в крайнее положение против часовой стрелки;

- отключить кнопку «Сеть» модуля ТВ, вывести переключатели SA1-SA4. также потенциометры RP1, RP2 в положение «0». Переключатель SA5 установить в нижнее положение, SA6 – в среднее положение;

- переключатель SA2 МДС2 установить в положение «1100».

Для проведения работы на персональном компьютере запустить программ Labdrive и выбрать соответствующую работу.


Описание программного обеспечения Labdrive и LabShow приведено
приложениях Д, Е.

В системе «источник тока – двигатель» используются два силовых преобразователя:

- тиристорный преобразователь для управления якорной цепью двигателя;

- тиристорный возбудитель для управления цепью возбуждения.

В данной системе якорный преобразователь поддерживает заданный те якоря постоянным, а управление осуществляется через цепь возбуждения. Для работы данной системы необходимо настроить три контура:

- контур тока якоря;

- контур тока возбуждения;

- контур скорости.

4.2 Настройка контура тока возбуждения

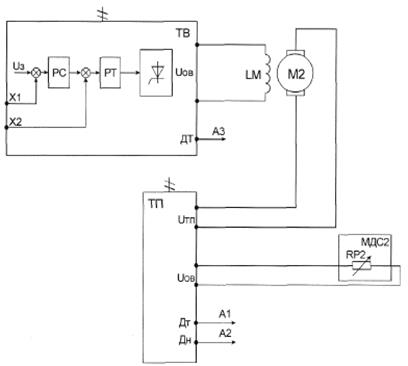
Для настройки контура тока возбуждения необходимо собрать схему.

Рисунок 1 – Схема для настройки контура тока возбуждения.

Обмотка возбуждения запитывается от модуля тиристорного возбудите/is (ТВ), якорная цепь – от модуля тиристорного преобразователя (ТП). Для предотвращения срабатывания защиты по обрыву поля модуля ТП необходимо подключить выходы UОВ модуля к резистору RP2 модуля МДС2.

4.2.1 Определение знака обратной связи

Для определения знака обратной связи регулятора тока возбуждения необходимо:

- включить автоматический выключатель QF1;

- включить кнопку «Сеть» модуля ТВ;

- установить переключатели SA1, SA3 регуляторов скорости и тока возбуждения ТВ в ненулевые позиции, потенциометр RP1 установить на максимум снимаемого напряжения;


- подать разрешение на работу ТВ и потенциометром RP1 установить ток возбуждения на уровне 0,1 А. Если ток возбуждения слишком мал, необходимо выключить разрешение (SA5) и увеличить коэффициенты усиления регуляторов (SA1, SA3);

- соединить выход датчика тока возбуждения ТВ с клеммой Х2 модуля и наблюдать ток возбуждения на экране компьютера, либо на индикаторе модуля. При присоединении отрицательной обратной связи ток возбуждения должен уменьшиться.

4.2.2 Настройка пропорционального канала регулятора тока

После определения знака обратной связи необходимо настроить пропорциональный канал регулятора тока возбуждения. Настройка П-канала заключается в подборе оптимального переходного процесса тока возбуждения при набросе задания. Оценивать параметры переходного процесса необходимо исходя из времени переходного процесса, величины перерегулирования и колебательности.

Опыт проводится в следующей последовательности:

- установить минимальный коэффициент усиления П -канала (переключатель SA3);

- задав ток возбуждения на уровне 0,1 А, установить переключатель SA6 ТВ в среднее положение;

- произвести наброс задания, переключив SA6 в одно из крайних положений. Одновременно наблюдать осциллограмму тока возбуждения на экране компьютера;

- если переходный процесс не оптимален, изменить величину коэффициента пропорционального усиления регулятора тока возбуждения (SA3) и зафиксировать переходный процесс.




Поделиться с друзьями:


Дата добавления: 2015-06-28; Просмотров: 484; Нарушение авторских прав?; Мы поможем в написании вашей работы!


Нам важно ваше мнение! Был ли полезен опубликованный материал? Да | Нет



studopedia.su - Студопедия (2013 - 2026) год. Все материалы представленные на сайте исключительно с целью ознакомления читателями и не преследуют коммерческих целей или нарушение авторских прав! Последнее добавление




Генерация страницы за: 0.011 сек.