Студопедия

КАТЕГОРИИ:


Архитектура-(3434)Астрономия-(809)Биология-(7483)Биотехнологии-(1457)Военное дело-(14632)Высокие технологии-(1363)География-(913)Геология-(1438)Государство-(451)Демография-(1065)Дом-(47672)Журналистика и СМИ-(912)Изобретательство-(14524)Иностранные языки-(4268)Информатика-(17799)Искусство-(1338)История-(13644)Компьютеры-(11121)Косметика-(55)Кулинария-(373)Культура-(8427)Лингвистика-(374)Литература-(1642)Маркетинг-(23702)Математика-(16968)Машиностроение-(1700)Медицина-(12668)Менеджмент-(24684)Механика-(15423)Науковедение-(506)Образование-(11852)Охрана труда-(3308)Педагогика-(5571)Полиграфия-(1312)Политика-(7869)Право-(5454)Приборостроение-(1369)Программирование-(2801)Производство-(97182)Промышленность-(8706)Психология-(18388)Религия-(3217)Связь-(10668)Сельское хозяйство-(299)Социология-(6455)Спорт-(42831)Строительство-(4793)Торговля-(5050)Транспорт-(2929)Туризм-(1568)Физика-(3942)Философия-(17015)Финансы-(26596)Химия-(22929)Экология-(12095)Экономика-(9961)Электроника-(8441)Электротехника-(4623)Энергетика-(12629)Юриспруденция-(1492)Ядерная техника-(1748)

Верхние вкладыши




Установка

Вкладыши коренных подшипников коленчатого вала

Проверка

Маховик

Шейки.

Коленчатого вала на коренные

Параллельно к средней линии

Радиусу.

Обрабатываются по предписанному

Коренных и шатунных шеек

Рис.ЗБ.77а. Вырежьте измерительные полосы..


 

ЗБ. Дизельный двигатель 4D65 1.8 л 1988-1993 гг.



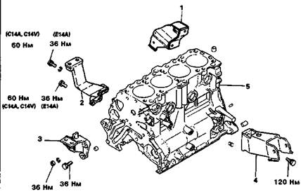
Рис.ЗБ.82. Блок цилиндров: 1. Передняя опора двигателя, 2. Переднее крепление подушки двигателя, 3. Левое крепление подушки двигателя, 4. Задняя опора двигателя, 5. Блок цилиндров.

Рис.ЗБ.776.... и установите их

1. Измерьте биение маховика, ко­торое не должно превышать 0,13 мм (см.рис.ЗБ.78).

Рис.ЗБ.78. Проверка биения маховика.

1. Верхние вкладыши коренных подшипников установите в блок ци­линдров. Верхние вкладыши имеют смазочное отверстие. Для среднего подшипника (с фланцем) использу­ются идентичные верхние и нижние вкладыши (см.рис.ЗБ.79).




Поделиться с друзьями:


Дата добавления: 2014-12-24; Просмотров: 458; Нарушение авторских прав?; Мы поможем в написании вашей работы!


Нам важно ваше мнение! Был ли полезен опубликованный материал? Да | Нет



studopedia.su - Студопедия (2013 - 2026) год. Все материалы представленные на сайте исключительно с целью ознакомления читателями и не преследуют коммерческих целей или нарушение авторских прав! Последнее добавление




Генерация страницы за: 0.013 сек.